Back to Home Page of CD3WD Project or Back to list of CD3WD Publications

CLOSE THIS BOOKRecessing, Cutting-out and Cutting-off - Course: Techniques for machining of material. Trainees' handbook of lessons (Institut für Berufliche Entwicklung, 17 p.)
VIEW THE DOCUMENT(introduction...)
VIEW THE DOCUMENT1. Purpose and importance of recessing, cutting-out and cutting-off
VIEW THE DOCUMENT2. Design and types of turning tools to be used
VIEW THE DOCUMENT3. Preparation of recessing, cutting-out and cutting-off
VIEW THE DOCUMENT4. Recessing of external and internal grooves
VIEW THE DOCUMENT5. Cutting-out of disks and rings
VIEW THE DOCUMENT6. Cutting-off of solid stock and hollow parts

5. Cutting-out of disks and rings

The cutting-out technique involves machining of the workpieces on their end faces and is used for specific jobs. The turning tool is moved in axial direction. The right-hand end-cut turning tool, specially ground, is mostly used (see Fig. 4 - relief-grinding of the secondary cutting edge to avoid "dragging" of the tool).


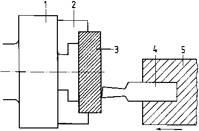
Figure 15 Working direction when cutting-out

1 three-jaw chuck,
2 soft chuck jaws,
3 workpiece,
4 end-cut turning tool,
5 turning tool holder

- The workpiece is chucked in a chuck.

- The workpiece is held in internally turned chuck jaws.

- Stop and block gauge are used to avoid cutting-through and, consequently, tool breakage.

- Cutting-out is completed 0.1 - 0.2 mm before breaking-through and after unloading the cut-out part is knocked out by hammer blows to avoid tool breakage and prevent accidents.


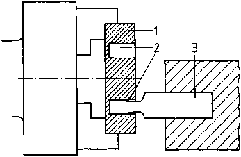
Figure 16 Completion of cutting-out before breaking-through

1 workpiece,
2 cutting-out depth 0.1 - 0.2 mm before breaking through,
3 end-cut turning tool

- Cutting-out of very long workplaces can be done from two ends to add up to the stability of the turning tool.

Which measuring and testing tools are used for cutting-out?
__________________________________________
__________________________________________
__________________________________________

TO PREVIOUS SECTION OF BOOK TO NEXT SECTION OF BOOK