Back to Home Page of CD3WD Project or Back to list of CD3WD Publications

CLOSE THIS BOOKFish Handling, Preservation and Processing in the Tropics: Part 2 (NRI)
VIEW THE DOCUMENT(introduction...)
VIEW THE DOCUMENTSummaries
VIEW THE DOCUMENTAcknowledgements
VIEW THE DOCUMENTIntroduction
VIEW THE DOCUMENTSalting of fish: salt
VIEW THE DOCUMENTSalting of fish: methods
VIEW THE DOCUMENTDrying of fish: basic principles
VIEW THE DOCUMENTDrying of fish: methods
VIEW THE DOCUMENTSmoking of fish
VIEW THE DOCUMENTMarinades
VIEW THE DOCUMENTFermented fish products: a review
VIEW THE DOCUMENTBoiled fish products
VIEW THE DOCUMENTFish canning: theory and practice
VIEW THE DOCUMENTFreeze drying
VIEW THE DOCUMENTIrradiation
VIEW THE DOCUMENTMiscellaneous products: crustaceans
VIEW THE DOCUMENTMiscellaneous aquatic products used as food
VIEW THE DOCUMENTFood by-products
VIEW THE DOCUMENTNon-food by-products
VIEW THE DOCUMENTNew and delicatessen products
VIEW THE DOCUMENTFish meal
VIEW THE DOCUMENTFish silage
VIEW THE DOCUMENTChemical and physical methods of quality assessment
VIEW THE DOCUMENTOrganoleptic (sensory) measurement of spoilage
VIEW THE DOCUMENTMicrobiology of spoilage
VIEW THE DOCUMENTMicrobiology of fish spoilage
VIEW THE DOCUMENTPublic health microbiology
VIEW THE DOCUMENTInternational standards for fisheries products
VIEW THE DOCUMENTLarge-scale fish landing facilities
VIEW THE DOCUMENTSmall-scale landing facilities: design and operation
VIEW THE DOCUMENTRetail sale facilities
VIEW THE DOCUMENTFisheries extension services: their role in rural development
VIEW THE DOCUMENTTraining in the field
VIEW THE DOCUMENTAppendix

Fish meal

The fish meal and oil industry began during the early 1800s in northern Europe and North America based primarily on surplus herring catches. The early industry was geared to the production of fish oil for the leather and soap industries with the solid residue being used as a high nitrogen and phosphorus fertiliser. More recently the solid residue, or meal, has become too expensive for use as a fertiliser and the high protein content makes it very suitable as an animal feedstuff. At present the bulk of the world's production of fish meal is used for incorporation into compound feeds for livestock such as poultry, pigs and fish. The world fish catch is in the region of 70 million tonnes per annum of which about one third is used for the production of fish meal.

Raw material

The raw material used for production of fish meal can be divided into three main categories:

1. Fish caught for the sole purpose of fishmeal production (often referred to as 'industrial fish'), e.g., anchovies in Peru, anchovies and pilchards in South Africa, herring and capelin in Norway and Denmark, and menhaden in America.

2. The 'by-catch' from other fisheries, e.g., prawn by-catch.

3. Fish offal and fish wastes from processing operations, e.g., carcases from a filleting operation, heads and guts from a canning line etc.

It is extremely important when planning the establishment of a fishmeal industry that a realistic estimate is obtained of the raw material available. Many fishmeal operations have failed because of over-optimistic assessment of the raw material available. In general, because of the high capital investment, running costs etc., a meal plant requires a regular large supply of fish to be economically viable. It is also very necessary to assess the price of the raw material and seasonal fluctuations in supply. Additional factors, such as the situation and distance from landing places etc., must also be taken into account.

It is also important to have information on the suitability of the raw material for meal manufacture. A number of tropical species of fish are known to contain toxins which could be harmful to livestock. If such toxic fish are likely to be included in the catch, it is important to carry out preliminary feeding trials to establish the suitability of the meal for livestock production.

The fat content of the raw material to be used for meal manufacture is also an important factor in determining the type of processing equipment necessary, the economics of production and the nature of the final product. Fish are normally grouped into two categories, namely oily (or fatty) fish of more than 2.5 per cent fat and non-oily (lean or white fish) with a fat content of less than 2.5 per cent.

Production methods

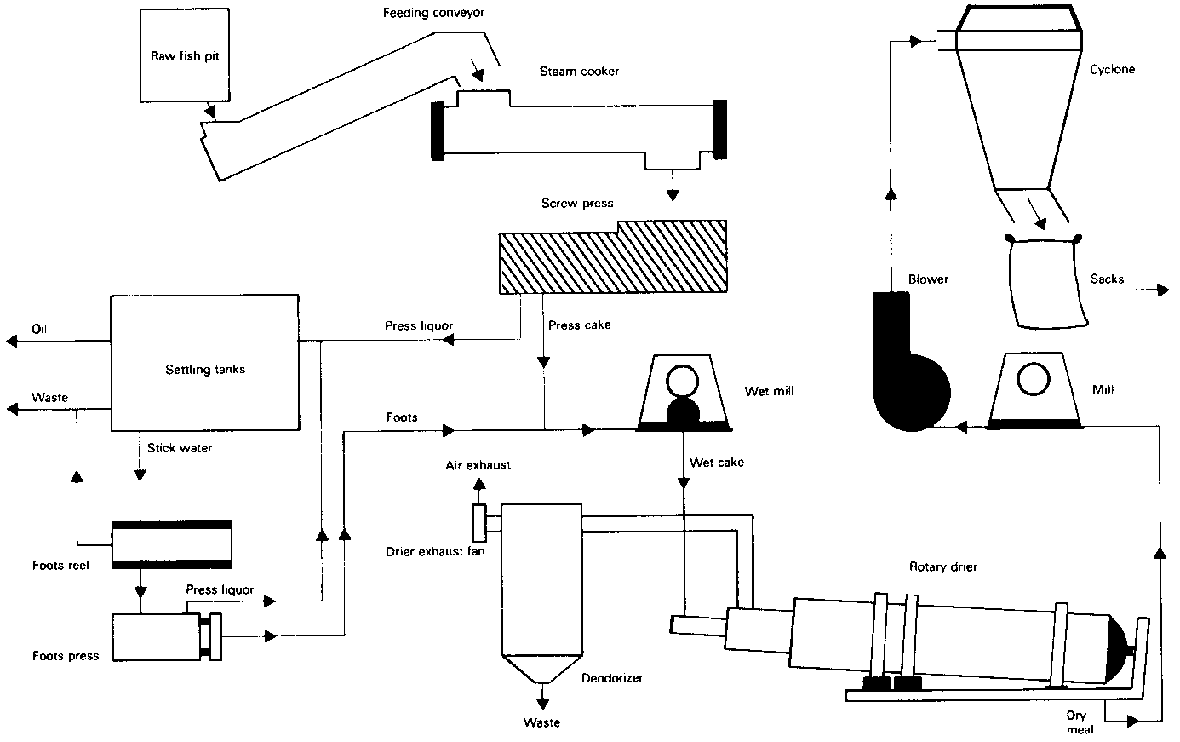
There are two main methods and many minor variations of commercial fishmeal production but all have the following steps in common (See Figure 14).


Figure 14 - Generalised fish meal plant showing process sequence

1. Heating or cooking to coagulate protein and release water and oil.
2. Pressing to separate liquids from solids.
3. Drying.
4. Grinding to produce a powdered or granular end product.

Wet reduction

The wet reduction process is used primarily for the production of meal from fatty fish such as menhaden, herring, pilchard, anchovy etc., which are caught specifically for fishmeal production. The process is a continuous rather than a batch process and is particularly suitable for large-scale operations. The essential steps in the wet reduction process are as follows:

1. Grinding or hashing of large fish.

2. Cooking and heating usually with steam.

3. Pressing to squeeze out water and oil. The liquid portion is known as press liquor and is passed through a screen to remove solid particles of fish which are then returned to the press cake.

4. Fluffing out of the press cake.

5. Drying the press cake.

6. Grinding and packing the dried meal.

The press liquor can be treated, after screening to remove solids, in a number of different ways; generally, however, the liquid is heated and centrifuged to remove the suspended solid particles and the oil. The oil may then be further refined or polished whilst the solids are returned to the meal plant for drying. The liquor or stickwater can be concentrated by evaporation of the water to about 50 per cent solids. The concentrated liquor can either be sold separately as concentrated solubles or returned to the meal plant and incorporated into the press cake for drying.

Dry rendering or reduction of fish meal

The dry reduction process is principally applied to the conversion of fish or fish offal of low fat content. It is a batch process and is easier to manipulate than the wet rendering continuous process.

The essential steps in the dry reduction process are as follows:

1. Fish are coarsely ground in a hacker or grinder.

2. The hacked fish are cooked in a steam jacketed cooker with a stirrer. The cooker also acts as a drier and is usually referred to as a cooker/drier.

Presses and separate driers are optional extras with this type of plant. The cooker/ drier may be operated at atmospheric pressure or under slight vacuum to facilitate drying. The cooker will handle only one charge at a time. In recent years, the dry reduction process has gone out of favour for a number of reasons.

Advantages and disadvantages of the two methods

DRY RENDERING

Advantages

Disadvantages

1 High yield of oil even for non-fatty fish.

1 Oil of inferior quality.

2 Suitable for small batch operation.

2 High installation and operating costs.

3 Easy to manipulate cooking/drying times.


4 Greater flexibility.

3 Production is slow.

5 Produces whole meal including solubles.


WET RENDERING

Advantages

Disadvantages

1 Good quality oil produced.

1 Meal is low in water solubles

2 Faster process.

unless concentrated stickwater is

3 Lower installation and operating costs.

added back.

4 Suitable for processing large quantities

2 Lower yield.

Of material.

3 Rigid operation conditions.

5 Can yield a valuable by-product, i.e. fish solubles.


Cooking

For successful operation of a meal plant, the cooking step is one of the most important. If the time and temperature of cooking is insufficient the fluids (oil and water) will not be released from the protein and pressing out will be difficult. If the material is over-cooked, however, the fish become a soft mush and sufficient pressure will not build up in the press to expel the liquids.

Oxidation and antioxidants

Fish meals with high oil contents can present problems during storage. Fish oil in the meal will oxidise after production and the reaction can lead to considerable rises in temperature. This can become a fire hazard. One method of overcoming this problem is to allow the oil to oxidise before packing by holding the meal in bulk stacks or spread out on the floor. Sacks of meal can also be stacked singly for a few weeks while oxidation occurs. These procedures allow dissipation of the heat generated by oxidation rather than allowing it to build up in confined spaces. Another way of overcoming this problem is to pack the meal in airtight, polyethylene laminated multilayer sacks which will hamper the diffusion of oxygen into the meal.

The use of antioxidants to stabilise fish meals is common these days. The amount of antioxidant required depends on the degree of unsaturation of the oil and varies with fish species. The two most common antioxidants used for fish meal are ethoxyquin and butylated hydroxytoluene (BHT). It is common practice to add between 400 and 700 ppm ethoxyquin to fish meal immediately after drying and prior to packaging. The antioxidant will prevent the uptake of oxygen by the meal and so prevent spontaneous heating.

Bags and storage

Fishmeal bags normally contain 50 kg. In tropical areas, the bag material is often hessian made from woven jute. This relatively open structured material allows the passage of water vapour and oxygen. Under humid conditions, the meal which is hygroscopic may absorb moisture and, if the moisture content rises above 15 per cent, moulds and bacteria may become active and the meal will compact into a solid lump in the bottom of the bag.

In many modern fishmeal operations, paper and polyethylene laminated sacks are used. These sacks have advantages over the more traditional hessian ones in that:

1. They prevent the rapid movement of oxygen and water.

2. To some extent the meal is protected from rodents and insect attack and from contamination by moulds and bacteria.

3. The meal cannot seep from the sack as it can through hessian.

Pollution

Fishmeal production can pollute the environment in two ways: firstly, from vapours arising primarily during the drying stage and, secondly, from liquid effluent from the washing down of plant etc.

Air pollution, which is not in fact harmful, is most easily noted by the public and can often be a source of embarassment and a problem area for a meal factory. There are a number of ways of eliminating the malodorous vapours but the following should be considered:

1. The volume of gases to be dealt with.
2. The freshness of the raw material.
3. The drying method used.
4. The location of the plant.

The methods used for abatement include:

1. Scrubbing the vapours by passing them through water.

2. Chemical inactivation, using chlorine or permanganate to oxidise the volatile reducing substances which are the main odour producing substances involved.

3. Combustion of the gases either at high temperatures or at lower temperatures using a catalyst.

In most cases, these methods are used in combination with the primary reduction of odorous gases with a scrubbing tower followed by a chemical or combustion stage. In many instances, the chemical reduction is incorporated into a scrubber by the addition of chlorine or permanganate to the scrubbing water.

Water pollution may be reduced by the use of screens and settling tanks and by the adjustment of the pH in the effluent to floculate the protein solids. These proteinaceous solids may then be removed and recycled into the plant.

Composition and quality

Fish meal is a high protein feed supplement which is mixed with other feed supplements to produce a balanced diet for livestock.

Constituents of the meal vary depending on the type of raw material and the process used. Protein is generally around 65 per cent but can vary from 50 per cent to 75 per cent. Fat content may vary between 5 and 10 per cent but preferably should be below 8 per cent. Ash or mineral content can vary considerably between 12 and 33 per cent depending on the raw material. High protein/whole fish meals tend to have lower mineral contents than meals produced from scrap and filleting waste: 18 per cent ash is the norm. Moisture content should be about 8 per cent (6 - 10 per cent); at moisture contents of 12 per cent or above, moulds may grow. Crude fibre is generally below 1 per cent and fish meal is considered as a low-fibre feed.

In the trade, fish meal is evaluated on the basis of its crude protein content. Prices are often given as price per unit protein (the unit of protein being the percentage of protein per tonne of meal). This means that if a plant produces a meal with say 60 per cent protein and the price quoted is $7 per unit, the price per tonne of that meal will be 60 x $7/tonne, i.e. $420 per tonne. The protein in fish meal is particularly good as a source of the essential amino acids. Most meals contain sufficient quantities of all 10 essential, and the 11 non-essential, amino acids to produce a well balanced diet. Of the essential acids, lysine is often the most critical. Lysine which can be high in fish meals can also be destroyed at high temperatures. Cereal-based diets which are used in feed rations are often deficient in Iysine and fish meal can be the sole source for a balanced feed.

Although fish meal is particularly valuable as a source of protein for livestock, it also contains useful quantities of other nutrients. Fish meals contain considerable quantities of vitamins, particularly the B group. These days, most mixed feeds incorporate a vitamin supplement formulated to include vitamins in sufficient quantities. However, the intrinsic vitamin content of fish meal leads to a good security margin in most feeds.

Fish meals can also be an important provider of minerals. Of particular interest to feed formulators are calcium, phosphorus, sodium, magnesium, potassium, iron, copper, zinc, manganese, iodine and selenium which can be deficient in a mixed diet. The following table gives the mineral contents of some fish meals and the mineral requirements for chickens and pigs:


Table Important provider of materials

From the above table, by examining the mineral requirements of chickens, it can be seen that feeding 10 per cent Peruvian anchovy meal meets 40 per cent of the bird's calcium and phosphorous requirements and all the selenium needs. With the exception of manganese, this percentage of fish meal would also fulfil up to 50 per cent of the bird's requirements for the trace minerals.

Prior to 1948, there was no doubt that fish meal contained an unknown growth factor which was termed the 'animal protein factor' (APF). This factor was found not only in fish meal but in many animal protein feeding stuffs. Vegetable matter did not possess this factor and, although poultry could be kept for some considerable time on 'all-vegetable' diets, they failed to survive in isolated cages for more than one complete generation. Subsequently, intensive research led to the isolation from ox liver of vitamin B12, which was shown to be the APF. Addition of vitamin B12 to all-vegetable rations improved the performance of these diets considerably, particularly with respect to growth and reproduction. Even with the presence of this vitamin in all-vegetable rations, however, the addition of fish solubles to the diet still resulted in increased growth. By a series of experiments conducted around 1955, it was discovered that fish solubles were a rich source of zinc, and this mineral was deficient in all-vegetable rations. Apparently the soyabean protein had the property of binding zinc and so increased the requirement for it several times.

These two examples illustrate the important role that the micronutrients in fish meal and fish solubles have played in ensuring high performance in livestock. However, in the light of modern understanding of the nutritional requirements of livestock, fish meal still possesses unknown dietary factors which improve performance. The scientific literature on this question is extensive and clearly this is not the place to review it.

TO PREVIOUS SECTION OF BOOK TO NEXT SECTION OF BOOK