Back to Home Page of CD3WD Project or Back to list of CD3WD Publications

CLOSE THIS BOOKConservation des Fruits à Petite Échelle (CTA - ILO - WEP, 1990, 244 p.)
CHAPITRE 2. PRETRAITEMENTS
VIEW THE DOCUMENT2.1 Généralités
VIEW THE DOCUMENT2.2 Triage
VIEW THE DOCUMENT2.3 Nettoyage et lavage
VIEW THE DOCUMENT2.4 Pesage
VIEW THE DOCUMENT2.5 Calibrage
VIEW THE DOCUMENT2.6 Epluchage
VIEW THE DOCUMENT2.7 Parage
VIEW THE DOCUMENT2.8 Dénoyautage, épépinage
VIEW THE DOCUMENT2.9 Découpage
VIEW THE DOCUMENT2.10 Pressage
VIEW THE DOCUMENT2.11 Broyage
VIEW THE DOCUMENT2.12 Extraction par diffusion
VIEW THE DOCUMENT2.13 Tamisage
VIEW THE DOCUMENT2.14 Clarification - débourbage
VIEW THE DOCUMENT2.15 Blanchiment et précuisson
VIEW THE DOCUMENT2.16 Traitement par agents de conservation
VIEW THE DOCUMENT2.17 Dégorgement

Conservation des Fruits à Petite Échelle (CTA - ILO - WEP, 1990, 244 p.)

CHAPITRE 2. PRETRAITEMENTS

2.1 Généralités

Les fruits destinés à être transformés selon les divers procédés qui seront étudiés doivent subir auparavant une série de prétraitements ayant pour but de les rendre aptes à la consommation et prêts à alimenter la chaîne de transformation choisie.

Ces techniques de préparation interviennent en plusieurs étapes qui dépendent de l'espèce fruitière et du mode de conservation.

2.2 Triage

Principe

Le triage a pour objet l'obtention de fruits de maturité homogène, d'une part, et l'élimination des fruits altérés et des débris foliacés, d'autre part. Le triage “maturité” se fait principalement en fonction de l'uniformité de couleur et de fermeté. Les fruits sont dirigés sur diverses lignes de transformation selon leur degré de maturité.

C'est ainsi que les fruits mûrs et à chair ferme sont transformés en pulpe, les fruits de maturité avancée mais sains en purées et en compotes. Les fruits verts peuvent être dirigés vers la ligne “confitures”, tandis que ceux de maturité normale sont séchés ou transformés en jus, etc.

Matériel

Au stade artisanal, le triage est effectué manuellement soit sur une table normale en bois ou en acier inoxydable, avec des paniers situés en dessous et permettant de recueillir les fruits à éliminer, soit sur une table métallique grillagée à mailles serrées.

Au stade semi-industriel, le triage peut également s'effectuer sur un tapis roulant caoutchouté constitué d'un grillage métallique.

2.3 Nettoyage et lavage

Principe

Ces opérations ont pour but d'éliminer les impuretés (feuilles, terre), les résidus de produits chimiques pulvérisés avant récolte et les micro-organismes superficiels.

Le nettoyage consiste en un brossage à sec des fruits avec ou sans aspersion d'eau.

Le lavage est un traitement effectué:

- soit par trempage avec ou sans agitation, dans de l'eau additionnée de sel (1 à 10 pour cent) ou dans une solution de lessive de soude (0,1 à 5 pour cent). Dans les deux cas, un rinçage soigneux doit suivre le lavage;

- soit par aspersion ou vaporisation d'eau. La température du bain varie selon les fruits et la transformation choisie. L'agitation des bains de lavage diminue le temps de traitement et augmente son efficacité.

Ces deux procédés peuvent être utilisés en alternance (par exemple, aspersion puis trempage de quelques minutes), mais dans les deux cas, l'eau utilisée doit, dans toute la mesure du possible, être propre, fraîche et potable.

Matériel

Le nettoyage est effectué manuellement au moyen de brosses ou de rouleaux recouverts de tissu.

Le lavage par trempage est réalisé dans des bassines ou des bacs munis de passoires ou de paniers métalliques ou en plastique (figure 1). L'eau doit être changée régulièrement pour assurer la propreté des fruits et peut être agitée mécaniquement ou par simple mise sous pression de l'eau.

Le lavage par aspersion peut se faire:

- au moyen de tuyaux ou de rampes de jets d'eau sous pression à orifices fins; tuyaux et rampes peuvent être mobiles. Les fruits arrosés sont disposés sur des claies grillagées ou des transporteurs (à rouleaux ou grillagés) selon l'échelle de production choisie;

- dans un tambour rotatif actionné manuellement ou mécaniquement (figure 2): il s'agit d'un cylindre grillagé tournant autour d'un axe légèrement incliné situé au-dessous d'une rampe d'aspersion.

Cette méthode s'applique uniquement à des fruits peu fragiles; plusieurs tambours peuvent être installés en série et être alimentés par des liquides différents (soude puis eau, par exemple).

La méthode par trempage nécessite des volumes d'eau importants et est donc moins économique, d'autant plus que plusieurs trempages successifs sont effectués dans la majorité des cas.

2.4 Pesage

S'il est effectué après triage ou lavage, le pesage est nécessaire pour évaluer:

- la quantité obtenue en fruits débarrassés de tous déchets; et

- les proportions d'ingrédients divers (exprimées en kg pour cent de fruits) que l'on devra ajouter dans certains cas.

Le pesage peut également intervenir après épluchage, parage et dénoyautage ou épépinage des fruit; il s'effectue à l'aide de balances.

2.5 Calibrage

Principe

Il consiste à sélectionner des fruits de même taille et de même poids dans le but d'assurer une présentation homogène du produit fini et une meilleure efficacité de la technique de conservation en facilitant notamment les transferts de calories au sein des fruits traités par la chaleur.

Il est inutile de calibrer les fruits destinés à être réduits en purée ou en jus, sauf si les étapes de la chaîne de transformation comportent des matériels nécessitant un calibrage préalable.

Les fruits de forme sphérique sont généralement calibrés suivant leur taille, les fruits de forme irrégulière en fonction de leur poids.

Matériel

Le calibrage pondéral est réalisé automatiquement par pesée des fruits un par un; il concerne par conséquent un stade semi-industriel. Un pesage manuel serait long et fastidieux.

Le calibrage volumétrique est effectué dans divers appareils dont les principes de fonctionnement sont expliqués ci-après et qui effectuent une sélection des fruits selon:

- le diamètre. Les fruits passent dans un tambour perforé d'orifices de diamètres progressivement croissants; c'est le cas des trommels simples (figure 3);

- la largeur ou la longueur (fruits non sphériques). Les fruits passent dans un tambour comportant des goulottes de section ayant une forme précise (figure 4); c'est le cas des calibreurs à alvéoles;

- l'épaisseur. Les fruits passent entre deux rouleaux rotatifs dont l'écartement croît au fur et a mesure de l'avancement des fruits; c'est le cas des calibreurs à rouleaux divergents (figure 5).

2.6 Epluchage

Principe

Cette opération consiste à éliminer la peau des fruits dans les cas où celle-ci n'est pas comestible ou constitue un obstacle à l'efficacité de la transformation appliquée.

Le décorticage sera traité sous cette rubrique, puisqu'il s'agit également d'éliminer l'enveloppe externe de certains fruits (notamment des fruits secs).

L'épluchage peut être réalisé de différentes façons:

- manuellement;

- mécaniquement; ou

- par voie chimique, c'est-à-dire par trempage dans un bain bouillant de soude à 20 pour cent (20 kg de soude par 100 kg de solution) pendant un temps court. Dans ce cas, un rinçage ultérieur est nécessaire pour éliminer la solution de soude en excès et les peaux qui se sont détachées de la chair des fruits.

Le décorticage est réalisé manuellement à l'aide de divers outils.

Matériel

a) Epluchage manuel

Il s'effectue au moyen de couteaux ordinaires ou de couteaux éplucheurs qui rendent l'opération plus facile et permettent d'obtenir des épluchures d'épaisseur fine et régulière (figure 6).

Ces instruments doivent être en acier inoxydable pour éviter toute réaction d'oxydation entre le métal et les acides naturels des fruits.

b) Epluchage mécanique

Il s'effectue:

- par abrasion, dans le cas de fruits résistant à l'écrasement (agrumes, par exemple), dans des appareils en acier inoxydable constitués d'un cylindre tournant à 40 tours/mn et muni d'un revêtement interne abrasif ou de pales en bois. L'évacuation des déchets est assurée par l'eau. Ces appareils peuvent traiter 120 kg/h (figure 7); ou

- par dépulpage, c'est-à-dire par écrasement de portions de fruits sur une grille (figure 8).

L'épluchage mécanique conduit à l'obtention d'une purée ou de cubes de section identique à celle des orifices de la grille. Il ne convient donc que pour les procédés de transformation applicables à des fruits devant être réduits à l'état de purée (c'est le cas des lignes pulpes, compotes et marmelades et de la transformation des plantains en farine, etc.).

Certaines centrifugeuses à panier perforé rotatif et couteaux trancheurs fixes permettent d'assurer ce dépulpage.

c) Epluchage chimique

Les récipients de trempage sont les mêmes que ceux illustrés par la figure 1. Ils doivent résister à l'action de la soude. Le rinçage s'effectue par trempage ou aspersion, avec de l'eau fraîche et potable.

d) Décorticage

Il peut s'opérer:

- par percussion, c'est-à-dire martèlement manuel au moyen de marteaux ou de pierres. Dans le cas de l'anacarde, par exemple, une personne peut obtenir 4 à 10 kg d'amandes décortiquées par jour; ou

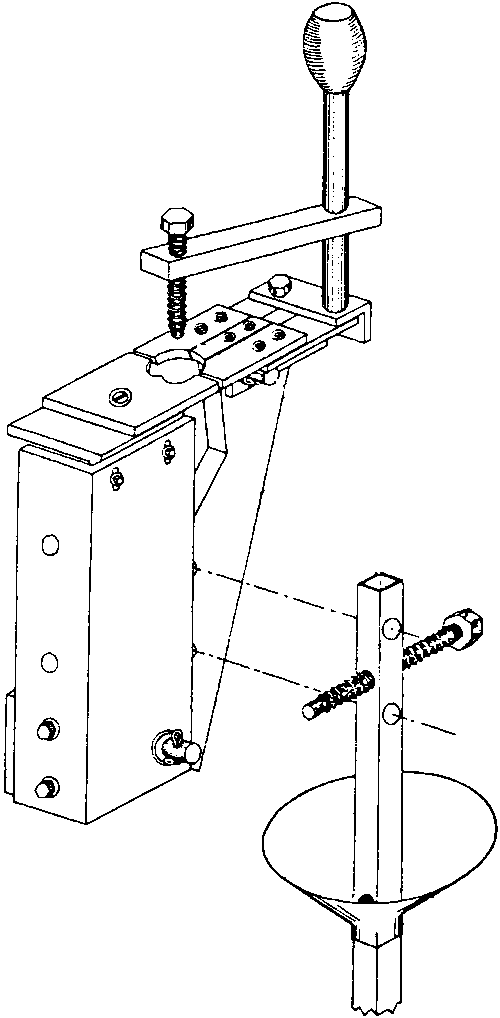
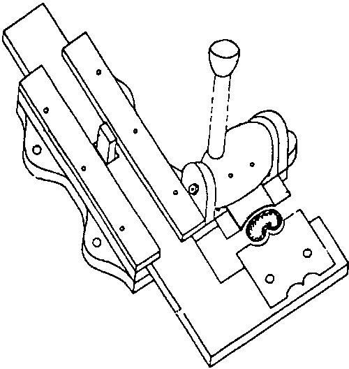
- par cisaillement, au moyen de cisailles manuelles (dans ce cas le rendement est le même) ou, dans le cas spécifique de l'anarcade, au moyen de pinces brésiliennes (le rendement est de 25 à 40 kg d'amandes par jour pour deux personnes) ou de pinces à vis (figures 9a et 9b).


Figure 1. Bac de lavage à panier perforé


Figure 2. Laveur à tambour rotatif actionné à la main


Figure 3. Trieur trommel à tôles épaisses


Figure 4. Trieur alvéolaire (Coupe longitudinale)


Figure 4. Trieur alvéolaire (Coupe transversale et détail)


Figure 5. Calibreur à rouleaux divergents


Figure 6. Matériel pour l'épluchage manuel


Figure 7. Epluchage par abrasion


Figure 8. Epluchage par épulpage


Figure 9a. Décorticage par cisaillement (Pince à vis)


Figure 9a. Décorticage par cisaillement (Etabli pour décorticage à la pince)

L'enveloppe des noix de coco peut être tranchée à la hache ou à la machette.


Figure 9b. Pince brésilienne

Cas particuliers

Certains fruits comme les abricots, les figues, les raisins, les olives et les dattes ne sont pas épluchés. Les autres fruits le sont presque toujours, sauf dans certaines transformations comme la fabrication des fruits confits où l'on conserve quelquefois la peau.

L'épluchage manuel, qui nécessite peu de matériel et convient a tous les fruits, est souvent le plus pratique et le plus rentable bien qu'il entraîne des pertes de pulpe considérables.

L'épluchage par dépulpage peut très bien s'appliquer aux fruits fragiles (grenadilles) destinés à être transformés en purée.

L'épluchage chimique est effectué sur des produits à peau fine (avec des concentrations en soude de 5 à 10 pour cent) ou sur des fruits à peau épaisse (avec des concentrations allant jusqu'à 20 pour cent). On procède de cette manière avec les abricots et parfois aussi avec les mangues, les kiwis, les pommes, les litchis, les pommes de cajou, etc.

Exemples d'épluchage chimique:

Pommes: soude à 10-15 pour cent, temps de trempage 20 à 30 secondes
Litchis: soude à 20 pour cent, 3 minutes.

On peut également combiner parfois épluchage et blanchiment (les litchis peuvent être épluchés par trempage dans l'eau à 90°C).

Le décorticage s'applique aux tamarins, aux châtaignes, aux noix de coco et aux anacardes. Ces derniers nécessitent toujours, avant décorticage, un traitement à la chaleur pour fragiliser les coques par expulsion du baume contenu dans les noix et les libérer de l'amande. Cela se fait par torréfaction (grillage) ou par trempage (friture) dans un bain de baume bouillant, ou encore par passage dans un courant de vapeur.

Le grillage est peu utilisé, car il provoque une perte de baume, un roussissement des amandes et une pollution de l'atmosphère. Lorsqu'il a lieu, il se fait à petite échelle dans un cylindre de tôle rotatif constitué de fûts vides soudés, actionné manuellement et chauffé par un feu de coques d'anarcardes. Le cylindre mesure de 4 à 5 m de longueur et de 60 à 80 cm de diamètre (figure 10a).

La friture au baume peut se faire:

- dans une friteuse alimentée manuellement en discontinu, constituée d'un bac à panier métallique adaptable, avec une plaque d'acier pour maintenir le panier immergé. Cet appareil traite 1,2 tonne de noix brutes en 16 h; ou

- dans une friteuse discontinue à trois cuves en tôle d'acier disposées en série et chauffées respectivement à 150, 160 et 170° C par un feu de coques. Un palan sur rail permet de faire passer 10 kg de noix dans un panier d'une cuve à l'autre (avec trempage d'une minute par cuve) (figure 10b). Un essorage sur tôle perforée est effectué en fin de cuisson.

La cuisson à la vapeur pendant 30 mn est effectuée dans des appareils de blanchiment.

Les noix de coco doivent être défibrées ou débourrées avant décorticage. On enlève leur enveloppe fibreuse externe (bourre) grâce à une machette, une hache ou un pieu (figure 11). On effectue ensuite un triage des noix pour éliminer les noix germées, endommagées ou non mûres et l'on fend les coques à la machette. Un opérateur peut fendre manuellement 1 500 à 2 000 noix en 8 h.

2.7 Parage

Principe

Il consiste a éliminer les parties abîmées ou les parties non consommables des fruits, à l'exception du noyau et des pépins (par exemple le coeur de l'ananas), qui pourraient dénaturer la saveur du produit fini et altérer ses qualités organoleptiques.

Matériel

On se sert de couteaux en acier inoxydable (figure 6) ou de couteaux à forme plus adaptée pour l'étrognonnage ou l'écoeurage de certains fruits (figure 12).


Figure 10. Traitement des anacardes à la chaleur: a) Cylindre rotatif de grillage


Figure 10. Traitement des anacardes à la chaleur: b) Friteuse discontinue à trois cuves de baume

2.8 Dénoyautage, épépinage

Principe

Il s'agit d'éliminer les parties non comestibles (noyaux et pépins) qui pourraient donner une amertume prononcée au produit fini si elles étaient traitées avec la chair des fruits. Selon l'espèce fruitière considérée, cette opération s'effectue avant ou après découpage des fruits en deux.

Matériel

Dénoyautage et épépinage sont souvent effectués manuellement (au stade artisanal) à l'aide de cuillères dénoyauteuses ou épépineuses, d'ustensiles épépineurs ou de dénoyauteurs ménagers à poussoir (figure 13).

Ces opérations peuvent également se faire mécaniquement: les dépulpeurs illustrés a la figure 8 permettent de séparer les pépins et les noyaux de la pulpe des fruits en même temps que les peaux. Les centrifugeuses-essoreuses comportent un panier rotatif percé d'orifices de dimension inférieure à celle des pépins ou noyaux et muni de batteurs ou de couteaux.

Cas particuliers

D'une façon générale, les drupes sont dénoyautées tandis que les baies sont épépinées (tableau 6).

La pomme de cajou est un cas particulier: son pédoncule charnu, appelé “pomme”, doit être séparé de la noix extérieure au moyen d'un canif ou d'un fil de nylon.

Les raisins ne seront pas épépinés; on choisira, dans la mesure du possible, des variétés sans pépin. Les corossols et les grenadilles seront épépinés.

2.9 Découpage

Principe

Cette opération, qui vise à obtenir des morceaux de fruits d'épaisseur réduite et régulière, a pour but de diminuer les temps de traitement appliqués par la suite en facilitant les échanges de matière et de chaleur effectués au cours de ceux-ci (migration de l'eau pendant le séchage, pénétration de chaleur pendant l'appertisation, pénétration de sucre, de sel ou d'acide dans le cas des confitures, pickles, pâtes de fruits, etc.).

On favorise ainsi une meilleure conservation du produit fini tout en préservant ses qualités organoleptiques. Les fruits peuvent être découpés en morceaux de différentes formes (rondelles, tranches, cubes, oreillons).

Matériel

Le découpage s'effectue:

- manuellement, avec des couteaux en acier inoxydable ou des trancheurs à lames multiples (figure 14);

- mécaniquement, avec des trancheurs coniques montés sur un axe rotatif entraîné par un motoréducteur d'une puissance électrique d'environ 125 W (figure 15).

Figure 11. Pieux utilisés pour le défibrage des noix de coco


Figure


Figure

Figure 12. Matériel de parage


Figure


Figure

Ustensiles à épépiner


Figure


Figure

Figure 13. Matériel de dénoyautage et épépinage


Cuillères épépineuse ou dénoyauteuse


Dénoyauteur de petits fruits

Cas particuliers

Tous les fruits charnus, semi-charnus et composés (tels que les figues et les ananas) peuvent être découpés manuellement au couteau. Les dattes et les raisins ne sont généralement pas découpés. Le trancheur à lames multiples s'applique plutôt à des fruits résistant à l'écrasement tels que les pommes, les bananes et les ananas. Il en va de même pour le trancheur mécanique, qui doit être utilisé avec des fruits à chair ferme de façon que le mouvement de rotation ne soit pas bloqué par une accumulation de purée de fruit entre la partie fixe et la partie mobile de l'appareil.

En cas de séchage ultérieur, l'épaisseur des tranches doit être comprise entre 7 et 10 mm.

Dans les autres types de transformation, l'épaisseur des tranches varie en fonction des fruits et de la transformation elle-même. On se référera aux indications données à ce sujet dans chaque chapitre.

2.10 Pressage

Principe

Cette opération a pour but d'extraire le jus des fruits tout en effectuant un tamisage de la pulpe. On obtient ainsi directement un jus de fruit clair et pulpeux, contrairement au broyage qui donne une purée.

Pépins et noyaux doivent être préalablement éliminés pour ne pas enrichir le jus en tanins qui lui donneraient une astringence excessive.

Le rendement en moût, c'est-à-dire en liquide obtenu par rapport aux fruits parés, est de l'ordre de 70 à 80 pour cent pour les pommes et de 35 à 40 pour cent pour les agrumes.

Il est assez faible par rapport aux rendements obtenus par d'autres méthodes d'extraction (diffusion, broyage), mais la qualité du jus ainsi produit est bien meilleure. Le résidu (marc) est très riche en matières sèches.

Matériel

L'extraction des jus de fruits peut se faire à l'aide de presses de différents types ou par centrifugation. Le moyen le plus simple et le plus primitif consiste à extraire le jus manuellement par torsion d'un sac de tissu grossier contenant la pulpe, ou encore par pression de sacs entre deux planches (figure 16). Mais le rendement est faible et le produit fini est de moindre qualité.

Figure 14. Trancheurs à lames multiples


Figure


Figure

Figure 15. Tranchage mécanique


Figure


Figure


Figure 16. Pressage manuel: a) par torsion d'un sac


Figure 16. Pressage manuel: b) par pression entre des planches

A l'échelon artisanal, l'extraction des jus peut se faire:

a) en pressoirs discontinus. Le rendement obtenu à l'extraction est bon et l'on obtient un jus en quelques minutes. Ce matériel nécessite cependant de longues et pénibles opérations de chargement et de déchargement des sacs contenant les fruits préparés ou la pulpe de fruits. La pression doit être appliquée lentement et progressivement pour éviter que le moût soit trop chargé en débris de cellulose (mauvaise filtration). La toile des sacs risque d'éclater si la pression est trop forte au début. Il y a plusieurs types de pressoirs discontinus, que l'on peut utiliser séparément ou en association:

- presse à vis (figure 17)

Une vis centrale, actionnée manuellement ou électriquement, pousse un plateau dans un mouvement descendant ou horizontal contre la masse à presser.

Figure 17. Presses à vis


Figure


Figure

- presse à levier (figure 18)

Un levier portant des poids provoque la descente d'un plateau contre la masse à presser.


Figure 18. Presse à levier

- presse hydraulique (figure 19)

Un piston central, actionné par une pompe à huile ou à eau, entraîne un plateau qui comprime fortement les fruits dans une cage cylindrique. On obtient un jus en 10 mn. La méthode convient particulièrement aux jus difficiles à extraire.


Figure 19. Presse hydraulique

Exemple de rendement dans le cas des pommes: 150 1/h avec un moteur de 4 CV.

- pressoir pneumatique

Une poche axiale en caoutchouc est gonflée d'air à l'aide d'un compresseur et s'applique contre la paroi interne d'une cage cylindrique en comprimant la pulpe qu'elle contient.

b) en pressoirs continus dont il existe deux types:

- presse à tapis

Une toile ou un tapis circule entre des rouleaux ou des plaques perforées. On utilise un moteur de 5 CV. Ces presses de construction simple ont un débit horaire plus important que les précédentes. Les problèmes qu'elles posent sont liés à l'usure du tapis et au débordement de la pulpe sur les côtés.

- presse à vis sans fin (figure 20)

Une vis hélicoïdale tourne à l'intérieur d'un tube perforé qui laisse passer le liquide. D'un prix élevé, ce matériel est robuste et facile à entretenir. (On peut avoir deux vis successives tournant en sens inverse.)


Figure 20. Presse à vis sans fin

c) en centrifugeuses (figures 21 et 22) dans lesquelles la pulpe des fruits est pressée par la force centrifuge contre un tamis conique ou cylindrique rotatif, entraîné par un moteur, au travers duquel passe le jus.

Figure 21. Centrifugation


a) Essoreuse-centrifugeuse


b) Essoreuse manuelle

Figure 22. Presse-agrumes


Figure


Figure

Le rendement à l'extraction est très bon et l'on obtient un jus clair en quelques secondes. La rapidité du processus permet une bonne préservation de la couleur et de l'arôme des fruits, car le jus n'a pas le temps de s'oxyder dans l'appareil. Mais le procédé est cher, requiert un usinage précis (grilles finement perforées) et un personnel qualifié. Il consomme de l'énergie et le matériel, sensible à l'usure mécanique, est aisément détérioré par des corps étrangers (pierres, etc.).

On trouve sur le marché:

- des essoreuses-centrifugeuses (figure 21a)

Les fruits sont introduits entiers dans un panier centrifuge conique perforé dont le centre est un trancheur “impeller” à deux lames fixes.

Exemple de rendement: 300 kg/h pour les grenadilles. Le procédé est applicable aux goyaves.

- des essoreuses manuelles (figure 21b) dont le rendement est évidemment très inférieur puisque la vitesse de rotation du tamis dépend de la main de l'homme et non pas d'un moteur. Il est préférable d'opérer avec des fruits déjà broyés ou pressés.

- des presse-agrumes manuels ou électriques (figure 22) ayant un rendement de 10 kg/h.

Cas particuliers

Les centrifugeuses sont surtout utilisées pour des fruits à pépins tels que les grenadilles, les goyaves et les papayes. Les fruits à noyau représentent un danger de détérioration pour les grilles fines de ces appareils et peuvent être traités dans d'autres types de presses. Ces appareils sont somme toute assez polyvalents.

2.11 Broyage

Principe

Le broyage a surtout pour but d'obtenir un nectar ou une purée puisqu'il consiste à réduire la chair des fruits en une suspension épaisse homogène. Dans ce cas également, il faut prendre soin d'éliminer les pépins et les noyaux avant de broyer les fruits.

Le rendement à l'extraction est ici de 100 pour cent en pulpe, mais la qualité du jus obtenu est inférieure. Le broyage intégral des fruits donne un produit inconsommable en raison de son amertume que l'on doit alors diluer, sucrer, puis éventuellement réacidifier.

Les matières insolubles en excès doivent être retirées, si possible par tamisage. Le liquide obtenu est cependant très bon marché et son arôme est prononcé.

Le broyage s'applique également aux produits séchés que l'on veut transformer en farine. Cette éventualité sera évoquée dans la section 3.4.3.

Matériel

a) Broyage manuel. Il se fait au pilon ou au mortier. Une personne peut broyer 50 kg de produit à l'heure.

b) Broyage mécanique. Le broyage mécanique des produits humides peut être réalisé dans plusieurs types de matériels:

- broyeur à marteaux. Plusieurs marteaux mobiles ou fixes sont disposés radialement sur un axe rotatif tournant à 1 000-1 500 tours/mn; le produit est ainsi forcé a travers une grille semi-circulaire perforée d'orifices de 3 à 5 mm de diamètre (figure 23). D'une grande robustesse, ce type de broyeur peut être fabriqué localement;

- broyeur à meules. Deux disques enduits d'abrasifs sont disposés l'un au dessus de l'autre. Le produit est broyé entre ces deux meules dont l'une (la meule dormante) est fixe, tandis que l'autre, située à la partie inférieure, est mobile;

- broyeur à lames. Un axe rotatif portant une série de lames disposées radialement est actionné manuellement ou par l'intermédiaire d'un moteur (figure 24). Les lames peuvent être remplacées par des râpes.

- dépulpeur. Le fruit passe au travers d'une grille (figure 8). Les dimensions des mailles varient en fonction du fruit traité:

bananes: mailles de 0,84 mm de diamètre;
goyaves: premier broyage avec des mailles de 0,76-0,84 mm, puis 0,43 à 0,51 mm;
corossols: 1,5 mm, puis 1,14 mm et 0,51 mm (trois passages).

Cas particuliers

Le broyage s'applique très facilement à des fruits tels que les pommes, les bananes, les ananas et même les agrumes. Le matériel employé a l'avantage d'être très résistant, peu coûteux et polyvalent et de pouvoir être construit localement.

L'extraction des jus de certains fruits peut relever d'autres méthodes spécifiques. C'est ainsi que les raisins sont pressés et que les tamarins subissent une extraction par diffusion.

2.12 Extraction par diffusion

Principe

On cherche à obtenir l'intégralité de l'extrait sec soluble des fruits par diffusion dans l'eau ou la vapeur d'eau.

Par rapport aux autres méthodes d'extraction du jus, ce procédé présente l'avantage d'avoir un rendement maximal en matières sèches contenues dans les fruits. Les qualités nutritionnelles du jus obtenu sont excellentes, la plus grande partie des vitamines diffusant facilement dans l'eau.

Matériel

La diffusion à l'eau se fait dans des bacs munis de tuyaux et de vannes. L'eau peut circuler à contre-courant, à chaud ou à froid. Le rendement est fonction de la température, de l'épaisseur des morceaux de fruits et du temps de diffusion.

Malheureusement, les arômes diffusent difficilement car ils ne sont généralement que peu ou pas solubles dans l'eau. Il faut donc reconcentrer le liquide après extraction et lui restituer sa saveur.


Figure 23. Schéma de principe du broyeur à marteaux

Figure 24. Broyeurs à lames


Broyeur à bras


Broyeur à moteur

On procède comme suit. Une casserole est disposée au bain-marie dans une lessiveuse ou une grande marmite (figure 25a). On place les fruits à traiter dans un linge très propre et on les recouvre d'un papier parcheminé. Une étamine, qui joue le rôle de tamis pour le jus, est fixée au-dessous du linge retenant les fruits. On recouvre la lessiveuse d'un couvercle aussi hermétique que possible et l'on chauffe pendant une heure environ.

Il existe également des appareils, constitués de trois parties, conçus spécialement pour ce type d'extraction et dont le principe est illustré par la figure 25b: l'eau contenue dans le récipient (1) est chauffée et dégage de la vapeur qui fait éclater la pulpe des fruits situés en (3) et pasteurise simultanément le jus qui s'en écoule. Ce jus est recueilli dans le récipient (2); un système d'écoulement permet de le mettre en bouteilles ou en flacons.

Cas particuliers

Tous les fruits peuvent être traités par la méthode de diffusion à la vapeur, en particulier les ananas et les pommes. L'extraction à l'eau s'applique surtout aux tamarins et aux corossols.

On utilise 5 l d'eau pour 1 kg de tamarin, le traitement durant 45 à 60 mn à froid. Dans le cas du corossol, il suffit d'employer 1,5 l d'eau par kg de fruit, mais on opère à chaud.

2.13 Tamisage

Principe

Cette opération qui s'applique aux produits déshydratés ayant subi une opération de broyage sera évoquée dans la section 3.4.4.

Elle peut également s'appliquer a des produits liquides (jus de fruits) ou pâteux (purée) et vise dans ce cas à éliminer les particules les plus grossières (pépins, débris) et les morceaux de fruits non désagrégés par précuisson (si une telle opération précède le tamisage, dans le cas des compotes par exemple) qui risqueraient de nuire à l'homogénéité des transferts de chaleur intervenant par la suite au cours de la pasteurisation.

L'épépinage et l'élimination des peaux de fruits non épluchés peuvent également intervenir à ce stade (cas des compotes).

Matériel

L'opération peut se faire manuellement à l'aide d'un tamis en osier finement tressé ou à l'aide d'un tissu (comme la mousseline ou l'étamine) tendu sur un cadre de bois, ou encore à l'aide d'un grillage en acier inoxydable. On peut également utiliser des tamis rotatifs grillagés actionnés manuellement ou par l'intermédiaire d'un moteur (figure 26), ou encore des tamis animés d'un mouvement de vibration.

2.14 Clarification - débourbage

Principe

Cas des jus de fruits

Le moût de fruit (liquide obtenu après extraction par pressage, broyage ou diffusion) n'est pas toujours consommable tel quel. Il convient de l'épurer, surtout en cas d'extraction préalable par broyage où l'on obtient une pulpe épaisse chargée de débris insolubles, par une série de traitements désignés sous le nom général de “clarification” ou “débourbage”. Ces traitements visent à éliminer les éléments plus fins tels que matières colloïdales en solution (protéines, tanins, pectines) et matières insolubles en suspension (débris cellulosiques).


Figure 25. Extraction du jus par diffusion à la vapeur (a)


Figure 25. Extraction du jus par diffusion à la vapeur (b)


Figure 26. Tamis rotatif actionné manuellement

Cette élimination peut être réalisée par:

a) voie naturelle. Après repos du jus pendant quelque temps, la fermentation pectique se déclare spontanément et une coagulation des pectines et gommes a lieu. La masse formée, appelée “chapeau”, remonte à la surface du jus sous l'action d'un début de fermentation alcoolique et se fendille. On peut alors soutirer le jus. L'inconvénient de cette méthode est la production d'alcool qui, même présent en quantité minime, altère très sérieusement les qualités organoleptiques du jus;

b) centrifugation. Quoiqu'étant le plus onéreux, ce procédé a l'avantage de ne pas modifier les caractéristiques du jus et d'être rapide;

c) préchauffage. La coagulation par chauffage (des protéines, par exemple) empêche en même temps un début de fermentation et permet un dépôt des tartrates de calcium ou de potassium (cas des raisins) ainsi que des flavonoïdes (cas des agrumes). Le préchauffage s'effectue a une température toujours inférieure à 100°C pour ne pas altérer les qualités nutritionnelles et organoleptiques du jus;

d) enzymation. On a recours à l'action des enzymes pectolytiques contenus dans le moût (il suffit alors de laisser reposer ce dernier), ou à l'addition d'enzymes de clarification produits à partir d'une moisissure comme Aspergillus niger. L'enzymation doit se faire à une température de 40-50°C et à un pH supérieur à 3 pendant une heure ou plus selon les espèces fruitières; ou

e) collage. Il s'agit de l'addition d'une matière colloïdale comme la gélatine en solution à 1 ou 2 pour cent (10 à 20 g de gélatine pour 100 l de jus). Celle-ci se combine aux protéines et tanins du moût qui précipitent en entraînant les impuretés du jus.

Pour faciliter la précipitation des jus de fruits ne contenant pas assez de tanins, on en rajoute sous forme de tanins en solution à 0,5 à 1 pour cent ou sous forme de jus de fruits astringents dans une proportion de 5 à 10 pour cent.

On peut également utiliser:

- de la colle de poisson (à raison de 2 à 3 g par 100 l de jus);

- de l'albumine en poudre (5 à 8 g par 100 l de jus);

- de la caséine (6 à 10 g par 100 l de jus), et faire précéder le collage d'un préchauffage à 95 °C ou d'une addition de bisulfite de soude (10 g pour 100 l de jus). On soutire ensuite le jus clarifié.

Avant toute adjonction de substance colloïdale, il convient de faire un essai préalable sur de petites quantités de jus afin de déterminer les doses optimales à utiliser.

L'opération de collage dure 12 h au maximum. Son efficacité augmente si la température de travail est plus basse, car l'on évite ainsi tout début de fermentation.

Les solutions de tanin et de gélatine pour le collage des jus se préparent de la façon suivante:

- gélatine à 1 pour cent, par exemple. Dans un récipient approprié, verser 10 g de gélatine en poudre. Délayer celle-ci avec 1 l d'eau tiède en l'y incorporant par très petites quantités à la fois.

Si l'on a des difficultés pour peser de façon précise 10 g pour la préparation d'un litre de solution, préparer 10 l de solution (10 l d'eau + 100 g de gélatine) qui seront utilisés successivement en fonction des besoins;

- tanin à 0,5 pour cent, par exemple. Procéder de la même façon en ajoutant soit 5 g à 1 l d'eau, soit 50 g à 10 l d'eau.

On effectue d'abord l'enzymation (en diluant la quantité d'enzyme nécessaire dans un ou plusieurs litres d'eau, puis en versant ce mélange dans le jus en brassant le tout) pendant 2 heures à 20°C environ, puis on fait un collage à la gélatine, par exemple.

Mode d'emploi pour la détermination des doses optimales d'enzyme à ajouter:

- mélanger 10 g d'enzyme à 1 litre d'eau;

- prendre six bouteilles contenant chacune un litre de jus à clarifier;

- ajouter à chaque bouteille 2,5, 5, 7,5, 10, 12,5 et 15 cm3, respectivement, de la solution à 1 pour cent;

- mélanger et maintenir à la même température que le jus à traiter;

- 8 heures plus tard (si l'on travaille à 10-15 °C), on effectue le test suivant pour constater l'efficacité de l'enzymation. On met 10 cm3 de jus à contrôler et 20 cm3 d'alcool à 0,5 pour cent d'acide chlorhydrique (filtrer le jus sur coton s'il contient trop d'impuretés). Si un précipité se forme rapidement, cela signifie que l'enzymation n'a pas été assez poussée. On estime par exemple (dans le cas du jus de pommes) qu'aucun précipité ne doit se former pendant les 10 premières minutes pour que l'enzymation soit correcte.

Mode d'emploi pour la détermination des doses optimales de gélatine à ajouter

- ajouter l'enzyme au jus (comme on vient de l'indiquer);

- laisser reposer environ 1 h 30;

- ajouter successivement 1, 1,5, 2, 2,5 et 3 cm3 d'une solution de gélatine à 1 pour cent dans 100 cm3 de jus, ce qui correspond respectivement à des concentrations de 10, 15, 20, 25 et 30 g de gélatine par hectolitre de jus;

- 15 minutes plus tard, prélever un peu de jus, filtrer dans une éprouvette et ajouter quelques gouttes de gélatine dans chaque tube.

Si, après cette seconde addition de gélatine, les préparations filtrées sont troubles, c'est qu'elles ne contiennent pas assez de gélatine. Le premier jus sans turbidité contient la quantité exacte de gélatine, tandis que les préparations suivantes, dont le jus est clair, contiennent déjà une concentration trop élevée.

A titre de contrôle, on effectuera une deuxième série d'essais avec des jus filtrés pour savoir si les jus clairs contiennent une quantité trop élevée de gélatine et l'on ajoutera quelques gouttes de tanin en solution à 0,5 pour cent.

Si les jus restent encore clairs 10 à 20 minutes après cette addition de tanin, la dose de gélatine est correcte. Par contre, si l'addition de tanin provoque une précipitation, c'est que le dosage de gélatine est trop élevé.

Des doses trop élevées de gélatine produisent des effets de surcollage (trouble apparaissant après la pasteurisation) et une altération de l'arôme et de la couleur.

Cas des pulpes

Un traitement s'apparentant à la clarification des jus est quelquefois pratiqué avec les pulpes de fruits avant extraction du jus. Il a pour but:

- de détruire les parois cellulaires (par solubilisation des protopectines des parois);

- de diminuer la viscosité du jus;

- d'extraire la couleur;

- de clarifier le jus;

- de remplacer le déchiquetage mécanique (foulage, début de broyage) ou thermique (préchauffage ayant pour but de liquéfier la pectine) des fruits trop fragiles.

La différence entre l'enzymation des pulpes et celle des jus est que la première nécessite une plus grande quantité d'enzymes, puisqu'il faut traiter tous les fruits.

Mode d'emploi pour l'enzymation des pulpes:

De la première pulpe broyée, tamisée si nécessaire, prélever une quantité suffisante de jus et y diluer la dose nécessaire de l'enzyme (une solution concentrée du commerce). Verser ensuite ce mélange sur la pulpe au fur et à mesure de l'extraction du jus.

La durée d'action du mélange est d'environ 2 h à 50°C ou 5 h à 20°C.

Matériel

La clarification s'effectue dans des bacs de décantation ou des cuves en bois ou en acier inoxydable. L'emploi de centrifugeuses peut être requis ainsi que l'utilisation de marmites de cuisson pour le préchauffage; celles-ci seront décrites dans le chapitre 4 relatif à la transformation des fruits en confitures.

Après sédimentation de toutes les particules au fond de la cuve (on les appelle bourbes), on retire le jus par siphonnage (grâce à un tuyau en caoutchouc relié à un flotteur en bois) pour ne prendre ni le jus de surface, ni les impuretés du fond de cuve.

Cas particuliers

Voici quelques exemples de procédés relatifs aux jus de fruits:

- pommes de cajou. Le problème est l'astringence du jus. Il faut le mélanger avant collage avec des jus riches en pectines (goyaves) pour diminuer cette astringence, puis effectuer un collage à la gélatine à 5 pour cent et ajouter de la chaux (4 g/l) pour empêcher une floculation du jus;

- pommes. A une température de 37,8 °C, enzymation de 5 h avec 0,8 g de pectinol A (enzyme + glucose + gélatine en mélange) par litre de jus, ou de 15 h avec 0,3 g du même produit;

- tamarins. Collage à la gélatine en solution à 0,12-0,15 pour cent;

- raisins. Collage à la bentonite à 5 pour cent ou enzymation avec 0,09 g de pectinase par kg de raisin pendant 30 mn;

- goyaves. Enzymation avec une pectinase à 0,5 pour cent, 18 h d'incubation à 40°C;

- abricots. 0,2 g d'enzyme en solution concentrée du commerce par litre de jus (environ 2 h à 20°C).

2.15 Blanchiment et précuisson

Principe

a) Blanchiment

Celui-ci a pour objet:

- l'inactivation par la chaleur des enzymes responsables du brunissement ou de la modification des couleurs naturelles de certains fruits;

- la dilatation des cellules par ramollissement du fruit, ce qui provoque l'élimination de l'oxygène de l'air intracellulaire responsable de la corrosion des matériaux de conditionnement (bombage chimique des boîtes, par exemple);

- l'arrêt des fermentations et du développement des moisissures;

- la réduction de la période de trempage et de cuisson pour la reconstitution des produits séchés;

- l'assouplissement des tissus de fruit;

- l'élimination de l'anhydride sulfureux absorbé par les fruits si un traitement par agents de conservation a été effectué avant blanchiment.

Le blanchiment est effectué le plut tôt possible après la préparation des fruits et par petites quantités, de façon discontinue, selon deux méthodes:

- blanchiment à l'eau. Les fruits sont plongés pendant un temps déterminé dans de l'eau bouillante, éventuellement acidifiée (2 g d'acide citrique par litre en moyenne) ou salée. La même eau peut servir 5 à 10 fois environ, elle est également parfois utilisée pour le jutage des fruits au naturel, en raison des principes nutritifs ayant diffusé dans cette eau et qui, ainsi, ne sont pas perdus. On utilise environ 1 l d'eau par kg de fruits;

- blanchiment à la vapeur. Les fruits sont placés dans un courant de vapeur au-dessus d'un récipient contenant de l'eau bouillante. Ils doivent être ensuite refroidis à l'eau froide courante pour stopper les effets du traitement thermique et éviter dans certains cas (pour le séchage, par exemple) qu'ils ne collent ensuite les uns aux autres. Un égouttage final est effectué.

Les avantages et inconvénients respectifs de ces deux méthodes de blanchiment sont exposés dans le tableau 7.

b) Précuisson

Ce traitement présente les mêmes caractéristiques et joue le même rôle que le blanchiment dont il diffère par sa durée plus importante.

En outre, la précuisson ramollit considérablement les tissus des fruits, ce qui est souvent le but recherché (cas des compotes) pour faciliter les traitements ultérieurs.

Cette opération peut s'effectuer à la vapeur, mais on utilise en général de l'eau bouillante en quantité très variable:

- si l'on emploie très peu d'eau, les fruits sont placés avec l'eau directement dans le récipient chauffé. Il n'y a pas de refroidissement ni d'égouttage. Les fruits ainsi traités sont en général destinés à subir une cuisson;

- si l'eau est en quantité plus importante, il s'agit d'un simple blanchiment prolongé et les fruits sont placés dans un panier, puis plongés dans l'eau.

Matériel

Il est similaire pour les unités artisanales et semi-industrielles, quoique les dimensions et capacités soient supérieures dans le deuxième cas et que les matériaux utilisés pour la construction ne soient pas toujours les mêmes.

a) Blanchiment à l'eau (figure 27). On utilise des récipients de cuisson chauffés à feu nu ou à la vapeur, en acier inoxydable, en fonte émaillée ou en cuivre (ne jamais utiliser le cuivre nu dont le contact avec les fruits détruit la vitamine C) dans lesquels on plonge un panier métallique grillagé, une corbeille d'osier ou encore un linge de mousseline pour les très petite unités de production. Un système de palan peut être utilisé pour soulever les paniers contenant de grandes quantités de fruits.

b) Blanchiment à la vapeur. On utilise soit les mêmes récipients que ceux précédemment décrits, en s'assurant que le panier contenant les fruits ne touche pas l'eau et en couvrant la marmite, soit un matériel du type couscoussière, c'est-à-dire une marmite surmontée d'un récipient à fond perforé de petits trous et muni d'un couvercle (la marmite contient l'eau et le récipient les fruits).

Tableau 7. Avantages et inconvénients respectifs du blanchiment à l'eau ou à la vapeur

Blanchiment à l'eau

Blanchiment à la vapeur

Avantages

Simplicité du matériel

Coûts d'achat et d'entretien peu élevés

Bonne connaissance du traitement thermique à appliquer

Valeur élevée du coefficient d'échange thermique entre l'eau et le produit, donc temps de blanchiment plus court

Lavage simultané du produit Possibilité de régler la température Capacité importante pour un encombrement réduit

Faible quantité d'eau utilisée, d'où consommation d'énergie légèrement moindre et faible quantité d'effluents

Rétention de constituants solubles (mais à la suite d'un traitement ultérieur, comme le refroidissement à l'eau, cette perte rejoint celle causée par le blanchiment à l'eau)

Inconvénients

Emploi d'eau en grande quantité et à température élevée d'où

· grande consommation d'énergie (qui peut être réduite si l'eau est recyclée)

· volume d'effluents élevé

Perte d'éléments nutritifs dans l'eau de blanchiment par dissolution

Difficulté de nettoyage du treillis métallique

Difficulté d'obtenir un chauffage uniforme

Température de travail unique

Encombrement important (épaisseur de couche réduite, couche non tassée)

Cas particuliers

Les temps de blanchiment varient en fonction des fruits et de la transformation qu'on veut leur faire subir; ils seront donnés dans les différents chapitres.

2.16 Traitement par agents de conservation

Principe

Ce traitement a pour but:

- de fixer et de stabiliser la coloration des fruits et d'empêcher le brunissement par inactivation des enzymes (action antioxydante);

- d'assurer une protection contre les insectes;

- d'empêcher le développement de moisissures et de levures (c'est-à-dire de stopper les débuts de fermentation, alcoolique surtout). Cette action antiseptique est d'autant plus marquée que l'acidité est plus forte;

- de provoquer une rupture des cellules périphériques qui se plasmolysent, ce qui entraîne une évaporation plus rapide au séchage; et

- de favoriser la conservation de la vitamine C (presque 50 pour cent par rapport à un témoin qui en contient au départ 84 mg/100 g);

Beaucoup de composés chimiques sont à exclure parce que toxiques. On peut, par contre, utiliser le soufre, très efficace en fumigation ou en solution:

- soufrage. Par combustion directe de soufre, on obtient du SO2 (anhydride sulfureux ou dioxyde de soufre). On ajoute parfois du nitrate de sodium ou potassium (5 pour cent) pour faciliter la combustion;

- sulfitage. On obtient une solution de SO2 en additionnant de l'eau et du sulfite ou du métabisulfite de sodium. On peut aussi ajouter de l'acide citrique. Ce trempage est court et suivi d'un égouttage ou essorage.

Bien qu'il soit plus onéreux, plus long et moins pratique, le traitement gazeux (soufrage) est préféré, car il n'engendre pas de perte de jus.

Les doses moyennes sont comprises entre 100 et 200 g de produit par 100 kg de fruits. L'agent est appliqué soit sous forme gazeuse (20 g/m3 de capacité du soufroir, pendant 3 à 6 h pour la plupart des fruits), soit sous forme de solution (1 à 3 pour cent).

La dose doit être supérieure à 100 g/100 kg de fruits (sinon il y a fermentation) et inférieure à 200 g/100 kg de fruits sinon les fruits sont brûlés superficiellement, la pulpe devient déliquescente et le produit prend un goût soufré.

Les fruits ne doivent pas contenir plus de 2,5 à 3 ppm (parties par million) de soufre après traitement, ce qui correspond à 2,5-3 mg/kg.

L'anhydride sulfureux présente plusieurs inconvénients:

- il décolore certains fruits rouges ou violets (la couleur réapparaît toutefois plus brillante par chauffage);

- en se combinant avec les sucres réducteurs des fruits, 11 donne des composés difficilement dissociables. Il est donc impossible de l'éliminer totalement;

- il se transforme en acide sulfurique (H2SO4) par oxydation de l'acide sulfureux formé. Cet acide sulfurique dénature la saveur et la rend acide; par ailleurs, si le conditionnement est fait en boîtes métalliques, l'acide sulfurique peut attaquer le métal et former de l'hydrogène qui, en se combinant avec le SO2 restant, produit de l'acide sulfhydrique (H2S) dont l'odeur est très désagréable.

Figure 27. Blanchiment à l'eau


a) En corbeille


b) Dans du tissu


c) Montage d'un palan artisanal


d) Blancheur à panier métallique relevable

Matériel

Le traitement peut s'effectuer soit au moyen de paniers contenant les fruits que l'on plonge dans la solution de métabisulfite préparée dans un bac, soit dans des enceintes closes ou chambres de soufrage que l'on appelle également soufroirs. Ces enceintes peuvent se réduire à une simple bâche maintenue assez hermétiquement sur un empilement de claies chargées de fruits.

Les enceintes de fumigation doivent toutefois contenir:

- un dispositif de combustion du soufre (dans une boîte métallique ou un poêlon placé sur un réchaud ou un fourneau de briques ou de béton), qui sera disposé à l'extérieur (figure 28a) ou à l'intérieur de la chambre (figure 28b) munie d'un système d'aspiration d'air; ou

- des bouteilles de gaz qui dispensent directement du SO2.

Les fruits sont placés sur des claies, celles-ci étant empilées à leur tour sur un chariot (figure 28c) qui sera lui-même introduit dans la chambre. Les dimensions des claies varient de 61 × 91 cm à 244 × 91 cm.

Caractéristiques des chambres de soufrage

- construction étanche (pour éviter les fuites de fumées de soufre);

- matériaux de construction permettant le réchauffement de l'intérieur de la chambre par pénétration de la chaleur solaire;

- disposition adéquate et espace suffisant réservé pour la combustion du soufre, afin de réduire au minimum les dangers d'incendie.

Les constructions en briques, briques creuses ou béton satisfont mal à la deuxième condition. Il est préférable d'utiliser des tôles d'acier peintes extérieurement et intérieurement en noir (peinture à l'asphalte, par exemple).

Cas particuliers

Les précisions concernant les temps et quantités de soufre requis pour chaque fruit en fonction de la transformation qui lui est appliquée seront données dans les différents chapitres.

2.17 Dégorgement

Principe

Cette opération est essentiellement pratiquée avant la conservation par le vinaigre de fruits en morceaux (pickles). Elle a pour but de faire rendre aux fruits une partie de leur eau de constitution afin d'éviter que cela ne se produise pendant l'étape suivante de macération dans le vinaigre, ce qui provoquerait une dilution de celui-ci ainsi qu'un ramollissement excessif de la texture des fruits.

Figure 28. Chambre de soufrage


a) Dispositif de combustion du soufre placé à l'extérieur de la chambre


b) Dispositif de combustion du soufre placé à l'intérieur de la chambre


c) Chariot de soufrage

On fait alterner dans ce but des couches de fruits et des couches de sel et laisse reposer plusieurs heures (en général 12 à 24 h, selon les fruits). Un rinçage rapide des fruits doit être effectué en fin d'opération.

La mise en sel sec des fruits peut intervenir en tant que traitement ou mode de conditionnement dans certains cas. La question sera évoquée au chapitre 6 concernant la conservation des fruits par le sel et le vinaigre.

Matériel

On peut utiliser n'importe quel récipient en métal inoxydable ou en bois (fûts) ou même des jarres de grès, de capacité variable selon les quantités de fruits à traiter.

Le rinçage se fait par trempage rapide ou aspersion d'eau froide avec les matériels décrits dans la section 2.3.

Cas particuliers

Voici quelques indications au sujet du temps de dégorgement:

- abricots: 24 h,
- melons: 12 h,
- mangues: 24 h.

TO PREVIOUS SECTION OF BOOK TO NEXT SECTION OF BOOK