Back to Home Page of CD3WD Project or Back to list of CD3WD Publications

CLOSE THIS BOOKAmplifier Teaching Aid (DED Philippinen, 86 p.)
Lesson 8 - Small Signal Amplifier II
Lesson Plan
VIEW THE DOCUMENT(introduction...)
VIEW THE DOCUMENTSignals in a CE amplifier
VIEW THE DOCUMENTInput impedance
VIEW THE DOCUMENTImpedance matching
VIEW THE DOCUMENTHandout No. 1
VIEW THE DOCUMENTWorksheet No. 8

Amplifier Teaching Aid (DED Philippinen, 86 p.)

Lesson 8 - Small Signal Amplifier II

Lesson Plan

Title: Small Signal Amplifier II

Objectives:

- Able to calculate the input impedance
- Understand the purpose of impedance matching


Figure

Signals in a CE amplifier

One characteristic of the CE amplifier is the phase inversion.

See Handout No. 1 (let the students complete)

For a better understanding the different voltage signals are plotted in four graphs:

Graph 1: A small ac signal is applied at the amplifier input.
Graph 2: The small ac signal is topping the biasing dc.
Graph 3: The amplified and inverted ac signal is topping the biasing dc.
Graph 4: The output capacitor C2 is blocking the dc, the amplified inverted ac signal is applied at the load.

Input impedance

Another important value to analyze is the input impedance of an amplifier circuit.

Recall the ac equivalent circuit in Lesson 7:

(see Fig. 8-1 on the next page)


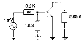
Fig. 8-1: AC equivalent circuit

RG is equal to the internal resistance of the signal source. Input impedance looking into the base:

ie/ib is approximately equal to b:

zb = b * re

The input impedance of a amplifier stage is the combination of base impedance and biasing resistance:

zin = R1//R2//b * re

Ex: What is the input impedance in Fig. 8-1?

re = 22.7 W, b = 100

zin = 1.8 KW//22.7 W * 100


= 202 W

Impedance matching

When you couple some amplifier stages or connect electronic appliances, the input/output impedance of every stage will effect the efficiency.


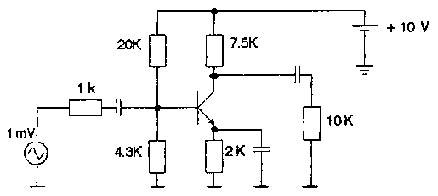
Fig. 8-2: Impedance matching

The internal resistance/impedance of the signal source (R1) and the loudspeaker (R4) is fixed. Only R2 and R3 can be designed to match the impedance.

Voltage optimum

Between signal source and amplifier it is important to transfer the highest possible voltage.


Fig. 8-3: Voltage optimum

In order to get the highest, possible voltage (V2) let's try several values for R2.

Ex: V = 10V, R1 = 100 W

R2 = 0.1 * R1 --- >


R2 = R1 --- >


R2 = 10 * R1 --- >


R2 = 100 * R1 --- >

The input impedance of an amplifier should be much bigger than the internal resistance of the signal source.

Power Optimum

Between amplifier and loudspeaker it is most important to transfer the highest possible power.


Fig. 8-4: Power optimum

Ex: Power in the load under different values of R4.

V = 10V, R3 = 8W

PL = R4 * I2


R4 = 16W

I = 24W = 0.42A

PL = 2.78W




R4 = 8W

I = 16W = 0.63A

PL = 3.125W




R4 = 4W

I = 12W = 1.14A

PL = 1 .03W

Input impedance of the load and the output impedance of the amplifier should have the same value.

R3 = R4

Ri = RL

Handout No. 1


Figure

Worksheet No. 8


Figure

No. 1 a) The generator voltage doubles. What is the input impedance?

b) The generator resistance RG doubles. What is the input impedance?

No. 2 You like to connect a microphone (R = 100KW) to an amplifier. What should be the input impedance of the amplifier to get a voltage optimum?

Microphone output voltage Vout = 10 mV

No. 3 The output impedance of your amplifier is 6W. What kind of loudspeaker (4W or 8W) do you choose to get the best power transfer?

TO PREVIOUS SECTION OF BOOK TO NEXT SECTION OF BOOK