Back to Home Page of CD3WD Project or Back to list of CD3WD Publications

CLOSE THIS BOOKElectrical Machines - Basic vocational knowledge (Institut für Berufliche Entwicklung, 144 p.)
6. Direct current machines
VIEW THE DOCUMENT6.1. Constructional assembly
6.2. Operating principles
VIEW THE DOCUMENT6.2.1. Power generation (direct current motor)
VIEW THE DOCUMENT6.2.2. Torque generation (direct current motor)
VIEW THE DOCUMENT6.2.3. Armature reaction (rotor reaction)
VIEW THE DOCUMENT6.2.4. Excitation
VIEW THE DOCUMENT6.2.5. Value relations
6.3. Operational behaviour of direct current machines
VIEW THE DOCUMENT6.3.1. Direct current generators
VIEW THE DOCUMENT6.3.2. Direct current motors
6.4. Circuit engineering and operational features of customary direct current generators
VIEW THE DOCUMENT6.4.1. Separate-excited direct current generator
VIEW THE DOCUMENT6.4.2. Direct current shunt generator
6.5. Circuit engineering and operational features of customary direct current motors
VIEW THE DOCUMENT6.5.1. Direct current motor with permanent excitation
VIEW THE DOCUMENT6.5.2. Direct current series motor
VIEW THE DOCUMENT6.5.3. Direct current shunt motor

Electrical Machines - Basic vocational knowledge (Institut für Berufliche Entwicklung, 144 p.)

6. Direct current machines

6.1. Constructional assembly

A direct current machine is a rotating electrical machine which, according to circuitry, either utilises or releases energy.

The direction of power conversion determines operation either as direct current generator or motor. The direct current machine is an external pole machine.


Figure 79 - Basic assembly of a direct current motor

1 Main pole with exciter winding, 2 Compensation winding, 3 Rotor with rotor winding, 4 Interpole with interpole winding, 5 Rotational direction during generator operation

The main poles with the direct current pole winding have been arranged in the stator. These main poles set up the magnetic field (exciter field) which, in the case of smaller machines, is also yielded through permanent magnets. The rotable, pivoted rotor is made from a lamella sheet pack whose grooves retain the winding.


Figure 80 - Rotor-core lamination


Figure 81 - Rotor with coil winding

The coil ends of the rotor winding have been extended to the commutator lamella on which the brushes loop. In this way an electrical connection is established between the direct current network and the rotor winding (Cp. Figure 83). Interpoles whose windings are saturated with rotor current have been interspersed in the field-free (neutral) zone of bigger machines. In addition, under certain circumstances a capacitator winding has been accommodated in the pole shoes of the main pole.

The overall assembly of a direct current machine is set out in Figure 82.


Figure 82 - Overall assembly of a direct current machine

1 Rated height, 2 Stators, 3 Exciter winding, 4 End shield of the A-side, 5 End shield of the B-side, 6 Dynamo sheets (armature), 7 Balance mass, 8 Ventilator, 9 Roller bearing, 10 Pulley, 11 Shaft end (cylindrical), 12 Feather, 13 Commutator, 14 Brushes, 15 Gear

6.2. Operating principles

6.2.1. Power generation (direct current motor)

Initially (Cp. 4.1.1.) an alternating voltage is generated in the rotor windings of every generator. This alternating voltage can, however, be rectified so that current always passes through the external circuit in the same direction (Cp. Figure 30). Rectification of the generated alternating voltages takes place in the following manner: Instead of the two slip rings isolated from one another in Figure 30, only one slip ring appears in Figure 83. This latter slip ring has, however, been divided into two halves insulated from each other (lamella) and is known as a commutator.


Figure 83 - Model of a direct current generator

1 Bulb
2 Carbon brushes
3 Commutator

The beginning and end of the conductor loop (winding) have been connected to the lamella. The two brushes face each other. They always run from one lamella to another as the conductor loop passes through the neutral zone. The induced voltage in the conductor loop is just zero at this moment and changing its direction. Figure 84 shows the principle of mechanical rectification.


Figure 84 - Principle of mechanical rectification

1, 2 Conductor loop, 3 Rotational direction, 4 Neutral zone

The commutator ensures that polarity of the carbon brushes remains constant at all times. The course of the rectified voltage is shown in Figure 85. We can perceive that the generated voltage still ranges between zero and a top value whilst always evidencing the same direction.


Figure 85 - Sequence of the rectified voltage of a conductor loop

1 Voltage

Where a less pulsating voltage is required it is necessary to increase the number of conductor loops whereby they should be spatially positioned. The number of lamella must be increased for every additional conductor loop. Figure 86 sets out the basic drawing of a direct current generator with two conductor loops.

The commutator comprises four lamella. The generated voltage is shown in Figure 87.


Figure 86 - Direct current generator with two conductor loops resp. windings

1, 2 Conductor loop; 3, 4 Conductor loop


Figure 87 - Sequence of direct current in a generator with two windings

1 Voltage in the conductor loop ½, 2 Voltage in the conductor loop ¾, 3 Terminal voltage, 4 Voltage in volt

The resultant voltage no longer varies as much however it has the disadvantage that the carbon brushes only tap off a voltage from the conductor loops when they generate a peak voltage. The conductor loops are ineffective at all other times. However, the two conductor loops add together their voltages once they are series connected.


Figure 88 - Generator with series-connected conductor loops


Figure 89 - Voltage sequence of a generator in accordance with Figure 88 - Legend as for Figure 87

The voltage presented in Figure 89 also features an increased voltage alongside an even one. Moreover, the direct voltage can be improved still further by increasing the number of conductor loops. In practise coils with several windings are employed instead of conductor loops. Operating current IA flows when a consumer connects to the carbon brush terminals.

6.2.2. Torque generation (direct current motor)

Section 2.3.2. indicates that a current saturated conductor loop and a magnetic field are required in order to generate a torque. This is attained by applying a voltage to the rotor winding as in Figure 83.

A rotational movement up to the neutral zone arises where direct current flows into the rotor winding.

The forces are then still effective but do not constitute a torque. The current direction in the conductor loop must be reversed in the neutral zone in order to attain a further rotation. Current direction change in the direct current machine is handled by the commutator which switches over the current direction in the conductor loop after a semi-rotation. Thereby the voltage attached to the carbon brushes is transformed in the conductor loop into alternating voltage. Figure 90 depicts this process.


Figure 90 - Torque generation in a direct current motor

1 Rotational direction

The following diagram emerges if one observes the torque within the conductor loop depending on the rotational angle.


Figure 91 - Torque of a conductor loop in dependence on the rotational angle

1 Torque

The torque ranges between zero and a peak value. A virtually constant torque is attained by utilising a large number of conductor loops (coils) which are distributed along the rotor circumference.

Conductor loop rotation in the exciter field similarly induces a voltage in this field. This runs counter to the applied voltage and cuts back operating current.

6.2.3. Armature reaction (rotor reaction)

Mode of operation

The magnetic main field of the direct current machine runs symmetrically from the north to the south pole (Figure 92 (1)) in the stator. The current-saturated rotor winding generates a second magnetic field which runs vertically (transverse) to the main field (Figure 92 (2)).


Figure 92 - Armature reaction

(1) Main field of the currentless rotor, (2) Armature transverse field, (3) Resultant overall field
1 Neutral zone

Despite rotor rotation the transverse field remains motionless and its value only changes in proportion to the current intensity in the rotor winding.

The armature transverse field superimposes itself with the main field to a resulting field (Figure 92 (3)) whose neutral zone has been displaced with regard to the main field.

The neutral zone is displaced by the armature transverse field. Its rotation ensues in the generator in rotational direction and, in the motor, contrary to the rotational direction of the rotor.

A displacement of the neutral zone leads to brush sparking. Furthermore, the armature reaction weakens the main field and this, in turn, paves the way for a decrease in rotor-induced voltage.

Interpoles

The negative influence of the armature transverse field can be overcome by superimposing a counter-directed magnetic field. So-called interpoles (Cp. Figure 93) are established between the main poles.


Figure 93 - Magnetic field of the interpoles

1 Generator operation
2 Motor operation

The interpole windings are so switched that their magnetic field is counter-positioned to the armature transverse field. In this motor, therefore, a principal north pole is followed by a north interpole in rotor rotational sense.

The interpole shall generate a magnetic field ouncterpositioned to the armature transverse field. The interpoles are in the neutral zone. Interpole and rotor windings have been series connected,

The armature transverse field can also be compensated by a magnetic field which is generated by the so-called compensation winding.

6.2.4. Excitation

Every rotating electrical machine requires an exciter field. The exciter field of the direct current machine, generated by the main poles, is a permanent magnetic field of constant value. We differentiate between various exciter categories.

Permanent excitation

An exciter field is realised by means of permanent magnets. This exciter category is mainly used for lower-power machines.

Separate excitation

The necessary voltage to generate an exciter field is attained from a voltage source (e.g. accumulators) outside the machine. Natural excitation is a particular excitation category.

In this case the necessary excitation voltage is provided by a generator (exciter machine) which is coupled directly to the main machine.

Self-excitation

Because of remanance (residual magnetism), the main poles evidence a weak exciter field. In accordance with U0 = c · F · n the rotation of the rotor winding induces only a small rotor voltage in the exciter field. Rotor winding rotation however enables a weak current to pass through the exciter winding. This current increases the exciter field whereby a greater rotor voltage is induced. This is, moreover, a continuous process leading to a fully fledged exciter field. This alternating effect is termed “dynamoelectric principle”. One differentiates between the following self-excitation categories:

Shunt excitation

The exciter winding has been parallel connected in the rotor winding.

Series excitation

Both exciter and rotor winding have been positioned in series.

Compound excitation

Each main pole features two main types of exciter windings: a shunt winding parallel to the rotor and a series winding in series with the motor current circuit.

6.2.5. Value relations

A voltage U0 is always generated in the rotor circuit irrespective of the type of direct current machine. The windings in the operating field yield an ohmic resistor, the internal resistor R1. Both values can feature in a duplicate circuit plan.


Figure 94 - Duplicate rotor circuit

The internal resistance of the rotor circuit stems from

R1

rotor winding resistance

RW

interpole winding resistance

RK

compensation winding resistance

RB

brush resistance and series excitation

RR

series winding resistance

In accordance with the voltage law the duplicate circuit establishes the relations between generator and motor operating voltages:

U0 = U + U1

U = U0 + U1

The natural direction change in switching over from generator to motor operation must be heeded when drawing up the equations.

6.3. Operational behaviour of direct current machines

6.3.1. Direct current generators

The induced voltage is determined by means of the equation U0 = c · F · n

Thus we derive the value of U0

1. through the construction (C)
2. through the exciter flow (F)
3. through the speed (n).

The construction constant (C) which results from the construction of the generator take in, for example, the number of pole pairs, the number of rotor conductors and the interconnection of the rotor windings. The exciter flow can be controlled by changing the exciter winding voltage. This is possible by series connection of an alterable resistance to the exciter winding. This is called resistance strain field actuator. Exciter voltage, exciter current and excited flow are interlinked like this:

If U0 = f ((Fe)) is considered one can also investigate U0 = f (Ie) as Fe is dependent on Ie. The following diagram is forthcoming for a constant speed n (Figure 95): In the case of a lesser exciter current the curve is almost linear. The curve flattens out following increased pole iron saturation.


Figure 95 - U0 = f (Ie); induction voltage as an exciter current

Figure 96 depicts the relationship between rotor speed and induced voltage U0. Thus, the original voltage can also be attained through the speed.


Figure 96 - U0 = f (n); induction voltage as a speed function

The induced voltage of a direct current generator can be controlled by altering the exciter current or the speed.

6.3.2. Direct current motors

Starting behaviour

Direct starting

If the equation U = U0 + I Ri is adapted in line with current magnitude, one derives an equation with

for working out the current value in the rotor circuit of the motor. If one compares current intensity for switching on and actual operation, we can determine the following:

During switching on current is calculated according to

There is thus more current because

1. the acceleration torque must be forthcoming and
2. there is no back voltage U0.

As rotational movement continues a back voltage is induced according to U0 = c · F · n whereby current intensity declines. Current intensity decreases more and more as speed increases. Then, as rated speed is attained, operational current is brought into play. The very considerable inrush current leads to

1. a greater heating up of the winding
2. in higher rated motors to operation of the fuses resp. the overcurrent trip
3. to voltage fluctuations in the network.

Consequently, only motors with low rated power may be connected to full mains voltage during switching on. Thus, motors operating on a mains voltage of 220 V between both external conductors may not have a greater power than 0.7 kW.

Direct switching on is only possible for low powered motors.

Starters with series resistor

In the case of higher powered direct current motors the starting currents are limited through a series resistor, the starter. The starter must, moreover, be so dimensioned that peak starter current Isp does not exceed 1.5 times the rotor nominal current (operating current intensity at rated speed). Thus, the following equation applies:

Isp = 1.5 · In

This comprises several series connected resistors which can be switched off as speed increases. The connecting terminals R, L and M should be switched thus:

R to the rotor, L to the mains (lead) and M to the shunt winding (magnetic field).

Starters are manufactured for the operating mode S2.

Example:

A direct current motor with a rated power of P = 10 kW and a rated voltage of U = 220 V has an internal resistance Ri = 0.4. How great are:

Starting peak current Isp
Starting resistance Ra
and the relationship between switching on current Ia max to rotor nominal current In?

Given:

U = 220 V
P = 10 kW
Ri = 0.4 W

Sought:

Solution P = U · I

In » 45.5 A

Isp = 1.5 · In

Isp » 68 A

Ia max = 550 A

Ia max » 12 In

Rrepl » 3.24 W

Ra = Rrepl - R;

Ra = 2.84

Where a starter of at least 2.84 W is connected in series, the inrush peak current is restricted to max 68 A. In the absence of a starter the inrush current would be 12 times greater than the rotor rated current.

Rating behaviour

Speed control

In practise prestipulated speeds are required for various drives.

In production certain speeds must also be adhered to, moreover such speeds shall also remain constant given loading variations.

Such drive problems can be solved by means of direct current motors.

The equation for calculating the speed of a motor is derived from U0 = C · F · n and U0 = U - 1 (Ri + Rv) through equalisation and subsequent solution according to the speed.

We determine:

Rv is a series resistance which is series switched to Ri.

Subsequently the speed can be set

1. by altering the applied mains voltage

2. by altering the series resistance of the rotor circuit and, thereby, the voltage at terminals A1 and A2 of the machine and

3. by magnetic flow changes.

All these methods are used in practice.

Changing mains voltage.

Changing mains voltage is advantageous where a motor has an own voltage source of differing values. Where direct current conductor mains are available the voltage can be stepwise changed by means of a selector switch. The influence of the mains voltage on the speed can be seen in Figure 97.


Figure 97 - n = f (U); dependence of speed on mains voltage

Favourable and economical speed setting results from changing the voltage by means of controlled rectifiers (thyratrons or thyristors). There are virtually no losses with these rectifiers. Power dependency becomes irrelevant as rotor resistance does not change during this procedure.

Changing the series resistance of the rotor circuit

Where rotor circuit resistance is increased through a series resistance, speed subsequently decreases.


Figure 98 - n = f (Ri); speed dependence on internal resistance

However, due to the considerable rotor current, this speed control leads to marked power losses. Where this procedure shall serve for speed control, the servo unit is dimensioned for permanent S1 operation. Such a unit is called a speed control starter if it is simultaneously suitable for starting. This control leads to a power drop.

Changing the magnetic flow

The magnetic flow decreases when a speed field controller is switched on to the field winding. The speed increases in the diminished exciter field. In practise speed field starters are constructed permitting a speed increase of up to 200 per cent of the rated speed. The arising losses are relatively low, consequently this control unit is quite economical. Figure 99 depicts the dependence of speed on exciter flow.


Figure 99 - n = f (F); speed dependence on exciter flow

Rotational direction control

The rotation direction depends on the current direction in the rotor and the direction of the exciter field. This is determined by the left-hand rule.

A rotational change of direction can therefore be attained

1. by current directional change in the rotor and
2. by pole changing the exciter field.

In practice the current directional change in the rotor is mainly used. However, the exciter field is repoled in more powerful machines (Leonard converters) as, otherwise, the switching contacts to handle the extremely great rotor currents become too big.

6.4. Circuit engineering and operational features of customary direct current generators

6.4.1. Separate-excited direct current generator

Circuitry

The separately excited direct current motor is a direct current generator whose exciter winding is fed by a separate voltage source.


Figure 100 - Circuitry and terminal board of a separately excited direct current generator

Voltage behaviour

The induced rotor current is virtually load independent given constant rotor speed and exciter flow. Conversely, terminal voltage U drops slightly as load increases. The graphical presentation of the function U = f (I) is a declining straight.


Figure 101 - Voltage curve of a separately excited direct current generator

The separately excited generator cannot be short-circuited.

Voltage - control

By means of the voltage field actuator the exciter flow can be altered from minimum to saturation value. Consequently, the induced voltage can be varied within considerable limits.

Application

Due to the considerable voltage setting range, the separately excited generator is utilised where very different voltages are required, for instance in converters.

6.4.2. Direct current shunt generator

Circuitry

The direct current shunt generator is a direct current generator in which the exciter winding is switched parallel to the rotor winding.


Figure 102 - Circuitry and terminal board of a direct current shunt generator

(1) Clockwise, (2) Anti-clockwise

Voltage behaviour

The dependence of terminal voltage U on load current I can be deduced from the curve in Figure 103. Terminal voltage declines as load current increases. If the generator is, in addition, loaded over and beyond the rated current, the terminal voltage declines sharply. Only minimal voltage is induced where the rated current increases threefold. Consequently, the required current power need no longer be provided. Terminal voltage is zero during short-circuiting.


Figure 103 - Voltage curve of a direct current shunt generator

1 U0 in no-load operation
2 Short circuit current

The shunt generator is short-circuit-proof.

Voltage control

An alteration of the strain field actuator of the exciter current and, thus, also of the exciter flow serves to ensure constant voltage given greater load current.

Application

The direct current shunt generator is used as exciter generator in three-phase generators for ensuring power supplied on ships and planes.

6.5. Circuit engineering and operational features of customary direct current motors

6.5.1. Direct current motor with permanent excitation

Circuitry

The permanently excited direct current motor is a small machine in which the exciter field is established through permanent magnets.


Figure 104 - Circuitry and terminal board of a direct current motor with permanent excitation

Dependence of current take-up on the torque (load)

As the curve I = f (M) indicates in Figure 105, current take-up is directly proportional to the torque because of the constant exciter flow.


Figure 105 - I = f (M); Current take-up dependence on torque

Dependence of speed on the torque (load)

Direct proportionality exists between speed and torque in speed-load behaviour.


Figure 106 - n = f (M); Speed dependence on torque

Speed control

Speed control ensues by changing the applied voltage.

Application

Direct current motors with permanent excitation are used mainly for power ratings up to 500 W. Such motors find application in the toy industry, household appliances, measurement and control technology.

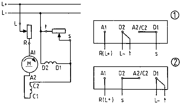
6.5.2. Direct current series motor

Circuitry

The direct current series motor is a direct current motor whose exciter windings (D1, D2) have been series-switched to the rotor winding.


Figure 107 - Circuitry and terminal board of a direct current series motor

1 Clockwise, 2 Anti-clockwise

Dependence of current take-up on the torque (load)

Current take-up by the motor depends on the load. As curve I = f (M) indicates, during idling the motor only takes up minimal current. Current take-up increases through greater load. Thereby, however, the increase in current intensity is greater than the load growth.


Figure 108 - I = f (M); Dependence of current take-up of a direct current series motor on torque

1 Rated current, 2 Rated torque

Dependence of speed on the torque (load)

The speed-torque curve (Figure 109) shows that the speed depends to a considerable extent on the load. Whilst idling speed assumes greater values. Given reduction the motor may “race” under certain circumstances.


Figure 109 - n = f (M); Speed dependence on the torque of a direct current series motor

1 Rated speed, 2 Rated torque

The considerable centrifugal power which then arises can destroy the motor. Therefore the motor must be securely attached to the drive machine. Speed declines markedly as the load increases. The direct current series motor develops a considerable initial torque during starting. It can, therefore, also start given excessive load.

Speed control

Speed can be controlled by

- a series resistor
- a strain field actuator parallel to the exciter winding and by
- changing mains voltage.

Application

Direct current series motors are used where considerable speed ranges and excessive torques are in evidence and “racing” is not possible (e.g. for driving electric railways, cranes, escalators).

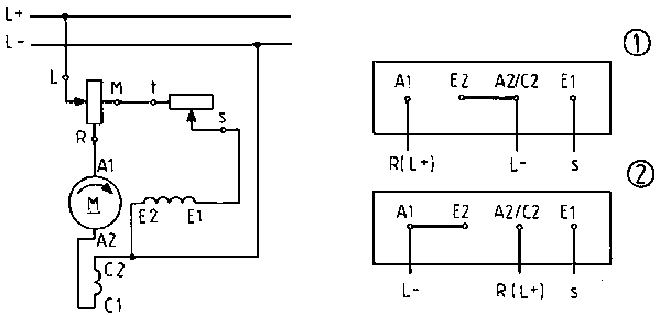
6.5.3. Direct current shunt motor

The direct current shunt motor is a direct current motor whose exciter windings (E1, E2) have been series-switched to the rotor winding.


Figure 110 - Circuitry and terminal board of a direct current shunt motor

(1) Clockwise, (2) Anti-clockwise

Dependence of current take-up on the torque (load)

Current take-up is made up of rotor current IL and exciter current Ie : I = IL + Ie. The curve I = f (M) (Figure 111) shows that exciter current flows as M = 0. Current take-up increases as load increases. Very considerable current flows during overloading.


Figure 111 - I = f (M); Current take-up dependence on the torque of a direct current shunt motor

1 Rated current, 2 Rated torque, 3 Idling current (exciter current), 4 Idling torque

Dependence of speed on the torque (load)

Speed behaviour is characterised through minimal linear speed reduction as load increases.


Figure 112 - n = f (M); Speed dependence on the torque of a direct current shunt motor

1 Rated speed, 2 Rated torque, 3 Idling speed, 4 Idling torque

The unloaded motor runs at an idling speed of N0 and the rated speed of nn is less than 10 per cent.

The speed change between the idling speed n0 and the rated speed of nn is less than 10 per cent.

Speed control

Sound speed control is possible by altering the exciter flow with the aid of the strain field actuator and varying the applied mains voltage.

Application

The direct current shunt motor is used as a drive for machine tools and automation equipment because of its virtually constant speed.

Questions for repetition and control

1. Describe the construction and mode of operation of a direct current generator.

2. Differentiate between the different types of direct current machines.

3. How can the speed of a direct current shunt motor be changed?

4. Explain why a starter is required to start up a direct current motor?

5. How can one alter the rotational direction of a motor?

TO PREVIOUS SECTION OF BOOK TO NEXT SECTION OF BOOK