Back to Home Page of CD3WD Project or Back to list of CD3WD Publications

CLOSE THIS BOOKCircuits, Formulas and Tables Electrical Engineering - Basic vocational knowledge (Institut für Berufliche Entwicklung, 201 p.)
4. Electrical Machines
VIEW THE DOCUMENT(introduction...)
4.1. Direct-current Machines
VIEW THE DOCUMENT4.1.1. Direct-current Generators
VIEW THE DOCUMENT4.1.2. Direct-current Motors
4.2. Three-phase Machines
VIEW THE DOCUMENT4.2.1. Three-phase Generators
VIEW THE DOCUMENT4.2.2. Three-phase Motors
4.3. Transformers
VIEW THE DOCUMENT4.3.1. Single-phase Transformers
VIEW THE DOCUMENT4.3.2. Three-phase Transformers

Circuits, Formulas and Tables Electrical Engineering - Basic vocational knowledge (Institut für Berufliche Entwicklung, 201 p.)

4. Electrical Machines

Designation of electrical conductors

Alternating current



any external conductor

L


1st external conductor

L1


2nd external conductor

L2


3rd external conductor

L3


neutral conductor without the function of a protective conductor

N

Direct current



any external conductor

L


positive external conductor

L+


negative external conductor

L-


central conductor without the function of a protective conductor

M

4.1. Direct-current Machines

4.1.1. Direct-current Generators


d.c. shunt-wound generator without commutating poles (clockwise sense of rotation)


terminal boards (clockwise sense of rotation)


terminal boards (anti-clockwise sense of rotation)


d.c. shunt-wound generator with commutating poles (clockwise sense of rotation)


The commutating poles are clamped inside the generator terminal boards with commutating poles (clockwise sense of rotation)


The commutating poles are clamped inside the generator terminal boards with commutating poles (anti-clockwise sense of rotation)


d.c. compound-wound generator with commutating poles (clockwise sense of rotation)


terminal boards (clockwise sense of rotation)


terminal boards (anti-clockwise sense of rotation)

4.1.2. Direct-current Motors


d.c. shout-wound motor with commutating poles and starter (clockwise sense of rotation)


d.c. shout-wound motor with commutating poles and starter (anti-clockwise sense of rotation)

The commutating poles are clamped inside the motor


terminal boards (A)


terminal boards (B)


d.c. series motor with commutating poles (clockwise sense of rotation)


d.c. series motor with commutating poles (anti-clockwise sense of rotation)


terminal boards (A)


terminal boards (B)


d.c. compound - wound motor with commutating poles (clockwise sense of rotation)


d.c. compound - wound motor with commutating poles (anti-clockwise sense of rotation)


terminal boards (A)


terminal boards (B)


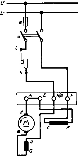
d.c. shunt-wound motor with cylindrical starter (clockwise sense of rotation)


d.c. series motor with cylindrical starter (clockwise sense of rotation)


d.c. series motor with reversing starter


Schematic circuit diagram for reversing starter with d.c. series motor (clockwise sense of rotation)


Schematic circuit diagram for reversing starter with d.c. series motor (anti-clockwise sense of rotation)


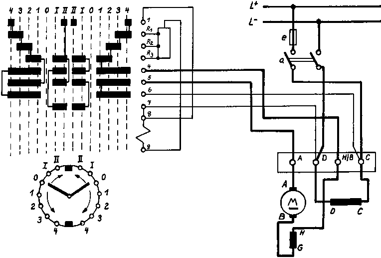
d.c. shunt-wound motor with controller drum for clockwise and anti-clockwise sense of rotation


d.c. shunt-wound motor with controller drum for clockwise and anti-clockwise rotation and braking


Schematic circuit diagram for controller drum with reversing and braking circuit for d.c. shunt-wound motor (clockwise sense of rotation)


Schematic circuit diagram for controller drum with reversing and braking circuit for d.c. shunt-wound motor (anti-clockwise sense of rotation)


Schematic circuit diagram for controller drum with reversing and braking circuit for d.c. shunt-wound motor (braking right-hand side)


Schematic circuit diagram for controller drum with reversing and braking circuit for d.c. shunt-wound motor (braking left-hand side)

4.2. Three-phase Machines

4.2.1. Three-phase Generators


Three-phase generator with exciter (A)


Three-phase generator with exciter (B)

4.2.2. Three-phase Motors

Mains voltage designations

3 N 220V/380V 50 Hz


1 N 220V 50 Hz


Three-phase motor with star-delta connection (star connection)


Three-phase motor with star-delta connection (delta connection)


terminal boards (clockwise sense of rotation)


terminal boards (anti-clockwise sense of rotation)


terminal boards (clockwise sense of rotation)


terminal boards (anti-clockwise sense of rotation)


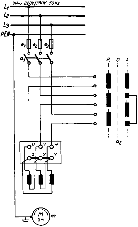
Three-phase motor with drum switch for clockwise and anti-clockwise rotation


Three-phase motor with lever commutator for star-delta starting


Three-phase motor with dram switch for star-delta starting


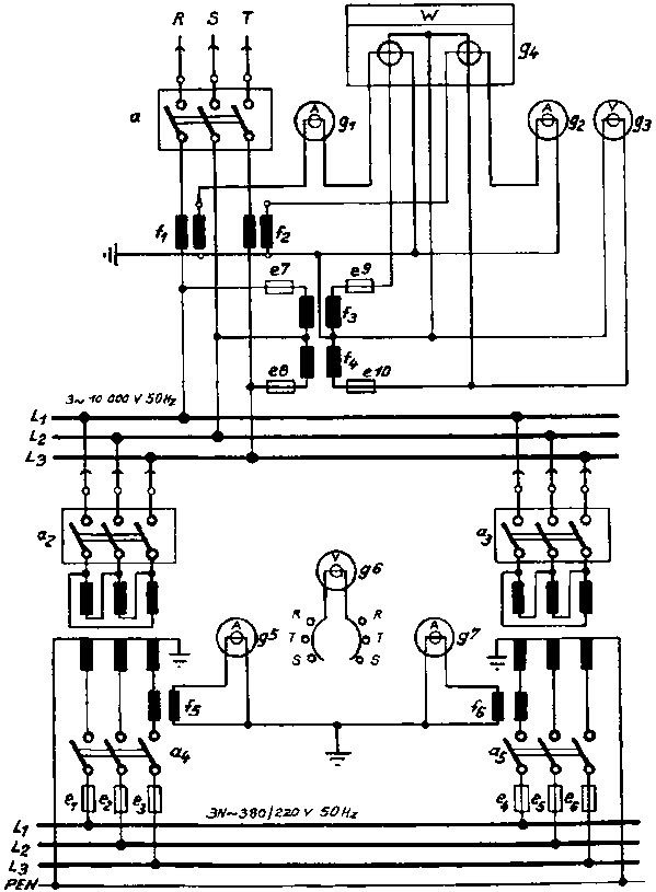
Three-phase motor (slip ring rotor) with rotor starter in star connection


Three-phase motor (slip ring rotor) with rotor starter in delta connection and controller drum for clockwise and anti-clockwise rotation


Three-phase motor with protective motor switch for undervoltage tripping, thermal tripping and magnetic tripping


Three-phase motor (slip ring rotor) with rotor starter and protective motor switch for manual and magnetic tripping


Three-phase motor with control acknowledging switch and protective motor switch


Three - phase motor in Dahlander pole-changing connection


Three-phase motor in “with Dahlander pole-changing connection”


Three-phase motor in “reverse Dahlander pole-changing connection”


Rotor-fed three-phase shunt-wound commutator motor


Three-phase motor at the single-phase mains (A)


Three-phase motor at the single-phase mains (B)

explanations to the wiring diagram
c1 operating capacitor, c2 starting capacitor

Frequently it is necessary to connect three-phase not ors to single-phase mains. In this connection, the following disadvantages must be taken into account. The rated output (see rating plate) will be reduced to 80 % to 65 %.

The rated torque will be reduced to 30 %.

The output or power can be calculated according to the following equation:

C = capacity of the capacitor in mF
P = power in kW
U = voltage in V
f = frequency

The following approximate values can be assumed when connecting to single-phase alternating current of 220 V:

Power (kW)

Capacity of the Capacitor

0.10

7

1.00

50

2.00

100


Three-phase series commutator motor

1 OFF position
2 starting, operation
3 braking


Single-phase capacitor motor with auxiliary phase


Repulsion motor


Ward-Leonard Control low-loss speed adjustment at the direct-current motor (General wiring diagram)

4.3. Transformers

4.3.1. Single-phase Transformers


normal circuit


economy circuit

4.3.2. Three-phase Transformers

Three-phase transformers in parallel connection


Transformer station with two transformers connected in parallel

Usual groups of connection for transformers

Designation


Indicator Diagram

Circuit Diagram


Identification number

Group of connection

High Voltage

Lower Voltage

High Voltage

Lower Voltage

Transformation

Three-phase power transformers


Dd 0

0

Yy 0


Dz 0


Dy 5

5

Yd 5


Yz 5


Dd 6

6

Yy 6


Dz 6


Dy 11

11

Yd 11


Yz 11

Single-phase power transformers



Explanations for the table

The table shows the commonly used circuits according to the relevant Standard of the International Electrotechnical Commission (I E C). When multiplying the identification number by 30°, the phase shift of the high voltage side with respect to the lower voltage side is obtained.

Dd 6 means:

D = high voltage side delta connection
d = lower voltage side delta connection

The lower voltage is shifted with respect to the high voltage by 6 x 30° = 180°.

Due to these different circuits, different operational behaviour is attained.

The ratio of transformation is calculated as follows:

TO PREVIOUS SECTION OF BOOK TO NEXT SECTION OF BOOK