Back to Home Page of CD3WD Project or Back to list of CD3WD Publications

CLOSE THIS BOOKIntroduction to Electrical Engineering - Basic vocational knowledge (Institut für Berufliche Entwicklung, 213 p.)
5. Magnetic Field
VIEW THE DOCUMENT5.1. Magnetic Phenomena
VIEW THE DOCUMENT5.2. Force Actions in a Magnetic Field
5.3. Electromagnetic Induction
VIEW THE DOCUMENT5.3.1. The General Law of Induction
VIEW THE DOCUMENT5.3.2. Utilisation of the Phenomena of Induction
VIEW THE DOCUMENT5.3.3. Inductance

Introduction to Electrical Engineering - Basic vocational knowledge (Institut für Berufliche Entwicklung, 213 p.)

5. Magnetic Field

5.1. Magnetic Phenomena

Magnetic phenomena are caused, by magnets. These are bodies which exert forces of attraction on iron and steel.

A distinction is made between

· permanent magnets; these magnets are made of steel or special materials for permanent magnets and they maintain their magnetic properties in almost unchanged strength for a long period.

· electromagnets; these are coils which usually have an iron core. Magnetic actions only occur when a current passes through the coils.

The ends of the magnets exert the greatest force of attraction and are called poles. Under the influence of the terrestrial magnetic field, a rod-shaped magnet is adjusted in north-south direction. The magnetic end which points to north is called north pole, the opposite end is called south pole. The connecting line between the two poles is called magnetic axis.

When we place two magnets opposite to each other (see Fig. 5.1.), then we will find:

Non-homonymous poles attract each other, homonymous poles repel each other.


Fig. 5.1. Force actions between magnets opposing each other

1 - North pole
2 - south pole

The effects of the force of magnets can be represented by force action lines which are called magnetic field lines. Fig. 5.2. shows the course taken by the magnetic field lines of a rod magnet. Their direction has been fixed arbitrarily.

Obvious is the following:


Fig. 5.2. Magnetic field of a rod magnet

1 - North pole
2 - South pole

The magnetic field lines are closed in themselves; outside of the magnet they run from the north pole to the south pole and inside the magnet from the south pole to the north pole.

In Section 2.1. we have already said that every electrical current is associated with a magnetic field. This tact is described by the so-called circulation law, which is also known as Biot-Savart’s law. To give proof of it, one passes a straight conductor through a sheet of paper or a glass plate, in accordance with Fig. 5.5., and then allows a current to flow through the conductor. Then fine iron powder is sprinkled on the paper or plate of glass and immediately the iron particles will adjust themselves in the form of concentric circles around the conductor, thus, forming a typical field line pattern. The direction of the field lines can be determined by means of a magnetic needle and has been entered in Fig. 5.5.

Fig. 5.3. Magnetic field of a current carrying conductor


a) Pattern of field lines


b) Direction of field lines


c) Direction of field lines after reversal of current direction

The correlation between current direction and field line direction is defined by the screw rule:

When one imagines a right-handed screw to be moved in a conductor in the direction of the current, the sense of rotation required for this longitudinal motion indicates the direction of the field lines.

When one intends to mark the electrical current direction in a conductor, the symbols shown in Fig. 5.4. have to be used. Basically, the direction of current is indicated by an arrow. When looking at the cross-section of the conductor, one sees the arrow-head as a point when the current flows in the direction toward the observer. When the current flows away from the observer while he continues to look in the same direction, he sees the feathers of the arrow-head in the form of a cross on the cross-section of the conductor.


Fig. 5.4. Symbolising the current direction in conductors

When a conductor is wound on a cylinder in the form of a spiral, one obtains a coil. When current passes through it, a magnetic field is brough about which is made up of the fields of the individual turns of the coil. A long, cylindrically wound coil has a field which resembles that of a rod magnet (Fig. 5-5.). Which end of the coil forms the north pole and which the south pole is dependent on the direction of current and can easily be found with the help of the pole determination rule:

When the current flows clockwise through the coil, one looks at a south pole; when the current flows anti-clockwise through the coil, one looks at a north pole.


Fig. 5.5. Magnetic fields of a current-carrying coil and a rod magnet

1 - North pole
2 - South pole

When placing a piece of iron in the field of a magnet, the field line distribution will change considerably (B.5.6.). Like nickel, cobalt and their alloys, iron also is a very good conductor for magnetic field lines. Therefore, these materials are called ferromagnetica. Fig. 5.6. shows how the parallel course of the field lines (homogeneous, i.e. uniformly built up field) is changed by a ferromagneticum. In general, the following holds:

A ferromagneticum bunches magnetic field lines together.


Fig. 5.6. Changing the course of the field by ferromagnetic bodies

1 - North pole
2 - South pole

When the ferromagnetic body has the shape of a ring, inside the ring the space is field-free because the field lines run in the wall of the ring. This fact is used for magnetic screening. Components which must be protected from disturbing magnetic fields are surrounded by sheaths of ferromagnetic material.

As has already been said above, every current is associated with a magnetic field. A coil through which current flows is also surrounded by a magnetic field. In the coil, electrical energy is converted into magnetic energy. Since the field lines are closed in themselvers, we speak of a circle in which the magnetic field is caused by a magnetomotive force. The coil through which current flows is the seat of this magnetomotive force Q 1) It is the greater, the greater the current is and the more turns the coil includes. Fig. 5.7. shows a magnetic basic circuit. This circuit consists of a coil with N turns through which a current I passes. The ferromagnetic conductor is not closed but separated by an air gap.

1) Q Greek letter theta


Fig. 5.7. Magnetic fundamental circuit

Analogously to the electric basic circuit, the following occurs: When an electrical current flows through the coil, a mangetomotive force Q is produced. It drives a magnetic flux F 2) whose direction can be found with the help of the pole determination rule. Since air conducts the magnetic flux much worse than a ferromagnetic material, the air gap represents the decisive magnetic resistance or reluctance Rm in the magnetic circuit. The magnitude of the magnetic resistance is dependent on the geometric dimensions of the air gap. The magnetic flux now causes a magnetic potential drop V at the magnetic reluctance Rm; this potential drop is - with a given F - the greater, the greater Rm is. The magnetic potential difference, i.e. the magnetic potential related to the length of a magnetic resistance or reluctance, is called magnetic field-strength H. The latter is closely related with the magnetic flux density B (also known as magnetic induction) which indicates the magnetic flux which vertically penetrates a certain area. The material-specific conductivity for the magnetic flux is called permeability µ. Mostly, the permeability is given as the product of the absolute permeability µ0 times relative permeability µr.

2) F Greek letter phi

µ = µ0 · µr

where:

µ

permeability

µ0

absolute permeability (induction constant)

µr

relative permeability

The absolute permeability applies to vacuum and amounts to

µ0 = 1.256 · 10-6 V.s/(A.m)

Hence, the relative permeability µr, is a numerical factor without a unit and indicates how many times the magnetic flux is conducted better by a certain material than by a vacuum. For electrical engineering, a classification of materials with respect to permeability into two types will provide sufficient accuracy:

1. non-ferromagnetic materials = vacuum, air, copper, wood, water
For these materials we have µr = const. »1

2. ferromagnetic materials = iron, nickel, cobalt and certain alloys
For these materials we have µr = const. >> 1 (100 to 10,000)

Below, the above mentioned magnetic quantities are presented, in the form of a list; further their mathematical correlations and their units are given. The shown fundamental equations can be applied easily. In analogy to the electrical circuits one has to observe that, for example, the magnetic flux in a branched magnetic circuit is divided into individual fluxes and the total magnetic resistance Rmers is smaller than the smallest individual resistance. In an unbranched magnetic circuit with several magnetic resistances connected in series, the total resistance Rmers is equal to the sum of the individual resistances; the sum of all magnetic potential drops is equal to the total magnetomotive force. This shows that, analogously. Ohm’s law and the 1st and 2nd Kirchhoff’s laws are applicable. Example 5.1 deals with an unbranched magnetic circuit with two magnetic resistances RmL and RmFe connected in series.

Survey of important magnetic quantities

Formula signs and notations

Q

magnetomotive force

V

magnetic potential drop

F

magnetic flux

Rm

magnetic resistance, also known as relustance

µ

permeability

µ0

absolute permeability

µr

relative permeability

H

magnetic field-strength

B

magnetic flux density

Equations


Units






Q = N · I

(5.1)

A






V = Rm · F

(5.2)

A






F = V/Rm

(5.3)

Wb = V · s

Wb = Weber in honour of the German physicist Wilhelm Eduard Weber (1804 - 1891)





Rm = V/F

(5.4)







Rm = 1/µ · 1/A

(5.5)

1/H = A/Wb = A/(V · s)

V · s/A = H = Henry in honour of the American physicist Josef Henry (1797 - 1878)





µ = µ0 · µr

(5.6)

H/m = Wb/(A · m) = V ··s/(A · m)






H = V/I

(5.7)

A/m






B = F/A

(5.8)







B = µH

(5.9)

T = Wb/m2 = (V · s)/m2

T = tesla in honour of the Yugoslavian physicist Nicola Tesla (1856 - 1943)

Example 5.1

For the magnetic circuit shown in Fig. 5.7., the magnetic flux F, the magnetic flux density B, and the magnetic field-strengths in the ferromagnetic conductor HFe, and in the air gap HL have to be found. The 250 turns of the coil carry 2 A; the length of the ferromagnetic conductor lFe = 80 cm and its cross-sectional area A = 4. 4 cm2. The relative permeability is assumed to be µr 600. The air gap length is lL = 2 mm.

Given:

N = 250
I = 2 A
lFe = 80 cm
lL = 2 mm
A = 4 · 4 cm2 = 16 cm2
µr = 600
µ0 = 1.256 · 10-6 V · s/(A · m)

To be found:

F
B
HFe

Solution: According to equation (5.3)

F = Q/Rmers

According to equation (5.1)

Q = N · I = 250 · 2 A = 500 A
Rmers = RmL + RmFe

According to equation (5.5)

Pay attention to the tact that the ferromagnetic conductor has a smaller magnetic resistance than the air gap although the length of the former is 400 times that of the latter.

Rmers = 106 A/(V·· s) + 0.665 · 106 A/(V·· s)
Rmers = 1.665 · 106 A/(V·· s)

F = 300 µWb

B is in the air gap as great as in the ferromagnetic conductor because F (and A) is equal everywhere.

According to equation (5.8)

B = F/A

B = (300 · 10-6 Wb)/(16 · 10-4 m2) = 18.8 · 10-2 Wb/m2
B » 190 mT

According to equation

HFe = B/(µ0µr)
rHFe = B/µ0)

HFe = 250 A/m

and

HL = B/µ0 = µrHFe
HL = 600 · 250 A/m = 150,000 A/m
HL = 150,000 A/m

Magnetic phenomena are caused by magnets. A distinction is made “between permanent magnets and electromagnets. They exert forces of attraction on iron and steel.

The lines of force action are called magnetic field lines; they are closed in themselves, take their course from the north pole to the south pole outside of the magnet and run from the south pole to the north pole inside the magnet.

Every electrical current is associated with a magnetic field. It whirls around the current-carrying conductor. Its direction can be determined with the help of the screw rule.

A conductor wound in several turns is called coil. When it carries an electrical current, a magnetic field is also built up. Its direction can be found with the help of the pole determination rule.

A ferromagnetic body bunches up the field lines of a magnetic field. When this body has the shape of a ring, the space inside the ring is field-free. Consequently, magnetic screening is possible.

A coil energised by an electrical current in connection with a magnetic conductor and the magnetic resistances forms a magnetic circuit. By means of the defined quantities, this circuit can be dealt with mathematically like an electrical circuit.

Questions and problems:

1. Quote examples of magnetic phenomena in electrical components and devices!

2. Explain why in the air gap of the ferromagnetic circuit the field strength increases while the magnetic flux density remains constant!

3. What is the formal analogy between the electrical circuit and the magnetic circuit? Compare wiring diagrams and circuit diagrams, characteristics and fundamental equations!

5.2. Force Actions in a Magnetic Field

The forces occurring in a magnetic field, are utilised in many ways for the construction and operation of machines and devices. There are three different types of forces:

· force on boundary areas of substances having different permeabilities (e.g. iron - air)
· force on currents in a magnetic field
· force between two currents

On the basis of the field line pattern, one can always draw conclusions regarding the force actions when one imagines that the field lines are subject to two forces:

The field lines try hard to shorten themselves; this means that they are subjected to a longitudinal force. The field lines in addition try hard to get away from each other as far as possible; this means that they produce a lateral force exerted upon each other.

Force in a magnetic field at boundary areas

Boundary areas are surfaces at which the permeability changes by leaps and bounds, e.g. the boundary surfaces of a piece of iron. A piece of iron in air is attracted by a magnet due to the shortening tendency of the field lines (Fig. 5.8). This can be effected by a permanent magnet and also by an electromagnet.


Fig. 5.8. Force in a magnetic field at boundary areas

Electromagnets are preferred because they attain greater magnet flux densities. The force with which a ferromagnetic surface is drawn towards the non-ferromagneticum is

F/N = 40 (B/T)2 A/cm2

where:

F

pull of one magnetic pole in N = newton

B

magnetic flux density in T

A

pole area in cm

In electromagnets, the magnetic field is produced by the electric current. This shows the advantage that the great forces can be controlled conveniently and from a place remote from the magnet by changing the current.

The basic form of all electromagnets is the coil with iron core and air gap (Fig. 5.9.). The part carrying the winding is called core (1), the connecting pieces in the ferromagnetic circuit yoke (2), and the movable ferromagnetic piece is termed as armature (3).


Fig. 5.9. Basic form of an electromagnet

1 - Core
2 - Yoke
3 - Armature

Electromagnets are used in large numbers in all fields of engineering. Here are a few characteristic examples:

- lifting magnets (see Fig. 5.10.); they are suitable for lifting iron parts having a large mass
- chucks for clamping and holding workpieces on machine tools
- electromagnetic clutches. They can be operated conveniently;

their power of coupling is adjustable even from larger distances without steps

- relays (Fig. 5.11.) for the electromagnetic control of switching actions in telecommunication and telecontrol engineering

- headphones in telephony

- electromagnetic loudspeakers


Fig. 5.10. Lifting magnet

1 - Steel casting
2 - Manganese steel (non-magnetic)
3 - Workpiece of iron


Fig. 5.11. Relay

1 - Winding
2 - Core
3 - Armature
4 - Working contacts
5 - Connecting receptacles for the working contacts

Example 5.2.

Calculate the force with which a relay armature is attracted when the magnetic flux density in the air gap is 0.5 T and the pole area 0.25 cm!

Given:

B = 0.5 T
A = 0.25 cm2

To be found:

F in N

Solution:

F/N = 40 (B/T)2 A/cm2
F/N = 40 · 0.52 · 0.25
F/N = 40 · 0.25 · 0.25
F/N = 40 · 0.0625 · 0.25
F = 25 N

Force exerted upon currents in a magnetic field (electrodynamic force)

When in a homogeneous magnetic field, a current-carrying conductor is placed according to Fig. 5.12., a force is exerted on this conductor in the direction indicated by an arrow.


Fig. 5.12. Current-carrying conductor in a magnetic field

1 - Horseshoe magnet
2 - Movable current-carrying conductor
3 - North pole
4 - South pole

This phenomenon can be explained easily. The vortex field of the current-carrying conductor (hatched area in Fig. 5.13.) is superimposed on the present field (thin lines). In the directional conditions selected in the Figs. 5.12. and 5.13., a field weakening is obtained to the left of the conductor whereas a field strengthening is obtained to the right. The resultant field is represented by broad lines. From the force actions of the field lines (longitudinal force - lateria force), a force F perpendicular to the conductor in the direction of the lowest magnetic flux density is obtained. This force is has the greatest value when the conductor is perpendicular to the field because then the most intense densification of field line takes place. When reversing the current direction or the direction of the field, the force brought about will act to the opposite direction. When current and field direction are reversed at the same time, the force action remains in the same direction. For the direction of the action of force, the left-hand rule (motor rule) holds.

Fig. 5.13. Electrodynamic force

1 - North pole
2 - South pole


a) Superposition of the present homogeneous field on the field produced by the conductor


b) Resulting magnetic field

When extending the opened left hand into the magnetic field in such a way that the field lines enter the inner palm and the extended fingers point in the direction of the current flow, the thumb spread out indicates the force exerted on the conductor (Fig. 5.14.).


Fig. 5.14. Left-hand rule (motor rule)

The magnitude of force is derived from the electrodynamic law of forces

F = B · I · l

(5.11.)

where:

F

force exerted on the current-carrying conductor

B

magnetic flux density of the homogeneous magnetic field

I

current intensity in the conductor

l

length of the conductor added to the field

[F] = [B] [I] [l]
[F] = T · A · m = (V · s)/m2 · A · m
[F] = (V · A · s)/m = (W · s)/m and with (W · s)/m = N we have
[F] = N

Example 5.3.

Between the 20 cm wide poles of a magnet there is a magnetic flux density of 0.5 T. A conductor arranged vertically with respect to the field carries a current of 5 A. Calculate the force exerted on the conductor!

Given:

B = 0.5 T
I = 5 A
l = 20 cm

To be found:

F

Solution:

F = B · I · l
F = 0.5 V · s/m2 · 5A · 0.2 m
F = 0.5 V · A · s/m = 0.5 W · s/m
F = 0.5 N

The electrodynamic force is remarkable and technically of greatest importance.

On the basis of the force action described above, the motor principle can be explained. A conductor loop or a coil is arranged in a homogeneous magnetic field (Fig. 5.15.).


Fig. 5.15. Current-carrying conductor loop in a magnetic field

1 - Magnet poles
2 - Pivoted conductor loop
3 - Sense of rotation
4 - North pole
5 - South pole

It is pivoted so that it can be rotated about its central axis which is perpendicular to the direction of the field. When a current of sufficient intensity passes through this coil, it will be subjected to a rotary motion the direction of which can be determined with the help of the left-hand rule. Since the force acting according to equation (5-11.) is exerted on adequate force arms (radius of the conductor loop), the torque according to equation (4.7.) is obtained which has been dealt with in Section 4.4. The motor principle is the basis of a series of electrical measuring instruments and electric motors.

Force between two currents

Between two parallel current-carrying conductors force actions are attained by the superposition of magnetic fields. The field patterns (Fig. 5.16.) show:

Fig. 5.16. Force between two currents


a) Currents flowing in the same direction


b) Currents flowing in opposite directions

Equidirectional currents attract themselves due to the shortening tendency of the field lines; currents of opposite direction repel each other due to the widening tendency of the field lines.

The forces occurring are small; they should be taken into account in case of high currents (e.g. short-circuits). Therefore, bus-bar systems, heavy-duty windings in transformers and current-limiting reactors must be mechanically stiffened and reliably fastened, taking a high safety factor into account.

In a magnetic field, different force actions occur. All of them are due to the shortening and widening tendencies of the field lines.

Force actions in a magnetic field at boundary surfaces are primarily caused by means of electromagnets. Decisive is the fact that the current, which passes through a coil, exert an attractive force on ferromagnetic bodies. This force is directed in such a way that the magnetic resistance is reduced. The value of the force is F ~ B2 and can be determined with the help of equation (5.10.).

Force actions on current-carrying conductors in a magnetic field result from the superposition of two magnetic fields. The direction of force can be determined with the help of the left-hand rule; its magnitude can be derived from equation (5.11.) (it can be considerable). The motor principle which can be derived, from these actions is the basis of the designing of electric motors and, thus, technically of greatest importance.

Forces also occur between current-carrying conductors, namely, an attractive force with equidirectional currents and a repelling force with currents flowing opposite to each other. But only with very intensive currents (e.g. short-circuit) these forces reach noticeable magnitudes which then have to be taken into consideration.

Questions and problems:

1. At the two poles of 15 mm x 20 mm each of an electromagnet, a magnetic flux density of 645 mT is present. Calculate the force with which the armature attached to the two poles is attracted!

2. Calculate the induction in front of the armature of a relay o which shows a pull of 2.5 N with a pole area of 0.25 cm2!

3. Explain why a magnetic field exerts a force on a current-carrying conductor and in which direction this fore acts!

4. Calculate the force with which a wire carrying a current of 20 A will turn aside; the wire runs through the 5 cm wide homogeneous magnetic field of a magnetic flux density of 850 mT at right angles!

5. Under which conditions occurs a) a repellent and b) an attracting force action exerted by two parallel current-carrying conductors? (substantiation!)

5.3. Electromagnetic Induction

5.3.1. The General Law of Induction

The phenomenon of electromagnetic induction was discovered by the English physicist Michael Farady (1791 - 1867) in 1831. The law of induction, which was named after him, is of paramount importance to electrical engineering. Together with Biot-Savart’s law (see Section 5.1.), it forms the theoretical basis of all electromagnetic phenomena and numerous technical applications such as generators, motors, transformers, measuring instruments, etc.

In Section 2.2. (see Fig. 2.7.) we have already pointed, out that a primary electromotive force is produced in a conductor loop encircling a magnetic flux when this flux changes. A distinction is made between two types:

· induction of rest
· induction of motion

The two processes can also take place at the same time; then the phenomena of induction, which will be dealt with separately below, are superimposed.

In the process of induction of rest, a conductor at rest (a conductor loop, a coil) is penetrated by a magnetic field changing as to time. This may be effected, for example, by approaching a permanent magnet to a coil and then withdrawing it in the manner shown in Fig. 5.17.


Fig. 5.17. Generation of primary electromotive force by magnetic flux variation

1 - North pole
2 - South pole

It is obvious that during the approaching of the permanent magnet the magnetic flux penetrating the coil becomes greater; during withdrawing, this flux diminishes again. It is found that, in the coil, a primary electromotive force is produced as long as the magnetic flux penetrating the coil changes. The electromotive force is the greater, the quicker the magnetic flux changes, in other words, the higher the speed of approach and the greater the number of turns in the coil. The direction of the electromotive force is derived from the law of conservation of energy. When, in the manner demonstrated by Fig. 5.17., a permanent magnet is approached to a coil, then at the side facing the magnet, a homonymous magnetic pole is formed. It exerts a repellent force on the magnet to be approached. Hence, a work has to be done against the repellent force exerted by the coil through which the induced current flows. This work is the equivalent of the electrical energy obtained. When withdrawing the magnet from the coil, the conditions are inverted. These facts were described by the Russian physicist Heinrich Friedrich Emil Lenz (1804 - 1865) and, called Lenz law, run as follows:

The induced electromotive force is always in such direction that, if it produces a current, the magnetic effect of that current opposes the flux variation responsible for both electromotive force and current.

A positive induced voltage is caused by a negative flux variation (flux reduction). Mathematically, this is expressed by a negative sign (“-”).

Consequently, as the general law of induction we have:

E = - N · DF/Dt

(5.12)

where:

E

induced electromotive force in the coil

N

number of turns

DF/Dt speed of variation of the magnetic flux

[E] = Wb/s = V · s/s = V

Example 5.4.

In a coil having 1200 turns, the magnetic flux varies within 50 ms from 7.5µWb to 70µWb. Calculate the value of the electromotive force induced in this coil!

Given:

N = 1200
DF/Dt = [(70 - 7.5) µWb]/50 ms

To be found:

|E|

Solution:

E = - N · DF/Dt

|E| = N · DF/Dt

|E| = 1.5V

An induction of rest also takes place when - according to the demonstration given in Fig. 5.18. - two coils are magnetically coupled and one is energised. Coil 1 (primary coil) has a number of turns expressed as K.; the current I1, passing through them can be interrupted by a switch. Coil 2 (secondary coil) has a number of turns expressed as N2 and is connected with a load.


Fig. 5.18. Induction of rest in magnetically coupled coiles

When the switch is closed, a current flows through the primary coil and produces a magnetomotive force. It drives a magnetic flux F1 whose greater part, namely kF1, also penetrates the secondary coil. The quantity k is called coefficient of coupling and indicates how many per cent of the produced magnetic flux penetrates the matching coil. In closed ferromagnetic circuits (as in the present example) k » 1 (or 100 %). Consequently, an electromotive force of is induced in the secondary coil according to equation (5.12.).

When the switch is opened, the magnetic flux diminishes and the voltage induced in the secondary coil inverts its direction.

Since F1 = (N1 · I1)/Rm [see equations (5.3) and (5.1)], hence,

DF1 = N1/Rm · DI1, we have

This process is called, mutual induction. The latter equation indicates that, in the event of a current variation in the primary coil, an electromotive force is induced in the secondary coil whose magnitude is proportional to the rate of current change DI1/Dt. The conditions are analogous when secondary and primary coils are exchanged. The proportionality factor is called mutual inductance M.

M = k · N1N2/Rm

(5.13)

E2 = - M · DI1/Dt

(5.14)

M

mutual inductance

k

coefficient of coupling

N1

number of turns in coil 1

N2

number of turns in coil 2

Rm

magnetic resistance

E2

electromotive force induced in coil 2

M

mutual inductance

DI1/Dt

rate of current change in coil 1

[M] = 1/A/(V · s) = V · s/A = H
[E2] = V · s/A · A/s = V

Example 5.5.

The mutual inductance of two coils is 100 mH. Calculate the electromotive force induced in the secondary coil when the current in the primary coil is uniformly changed by 500 mA within 20 ms!

Given:

M = 100 mH
DI1/Dt = 500 mA/20 ms

To be found:

E2

Solution:

E2 =- M DI1/Dt
E2 = - 100 mH · 500 mA/20 ms
E2 = - 100 ··10-3 (V·· s)/A · 25 A/s = - 2500 · 10-3 V
E2 = - 2.5 V

The general law of induction does not state anything about the origin of the magnetic flux but only the fact that, as a consequence of changes in the magnetic flux, voltages are induced in the turns of a coil encircling it. When we omit the secondary coil in Fig. 5.18., the following conditions are brought about:

When we close the switch, a current passes through the coil producing a magnetomotive force. The latter drives a magnetic flux which penetrates all turns of the coil generating an electromotive force in these turns. When the switch is opened, the magnetic field breaks down, the magnetic flux is reduced to zero. This reduction of flux will also cause an induced voltage in the coil itself. This process of production of electromotive force in the turns of the coil generating the field is called self-induction.

The magnitude of the self-induced voltage can easily be determined on the basis of the general law of induction.

E = - N · DF/Dt

Since F = NI/Rm [see equations (5.3) and (5.1)], hence
F = N/Rm · DI we have
E = - N · N/Rm · DI/Dt

The latter equation indicates that, in a current-carrying coil, an electromotive force is induced by the magnetic flux associated with the current in the coil; the magnitude of the electromotive force is proportional to the rate of current change DI/Dt.

The proportionality factor is called inductance L (more precisely self-inductance).

L = N2/Rm

(5.15)

E = - L·· DI/Dt

(5.16)

where:

L

self-inductance

N

number of turns of the coil

Rm

magnetic resistance

E

self-induced voltage

L

self-inductance

DI/Dt

rate of current change in the coil

[L] = (1/A)/(V · s) = (V · s)/A = H
[E] = [(V ··s)/A] · (A/s) = V

Example 5.6.

A coil has a self-inductance of 1.35 H. Calculate the self-induced voltage when the current is uniformly reduced by 5.7 mA within 20/µs.

Given:

L = 1,35 H
DI/Dt = 3,7 mA/20 µs

To be found:

E

Solution:

E = - L · DI/Dt
E = - 1,35 H · (- 3,7 mA/20 µs) = [1,35 (V·· s)/A] · (185 A/s)
E = 250 V

The correlation between mutual inductance and self-inductance results from the equations (5.13) and (5.15.)

with L = N2/Rm we have M2 = k2L1L2


(5.17)

The mutual inductance of two magnetically coupled coils is equal to the product of coupling factor times geometric mean of the self-inductances.

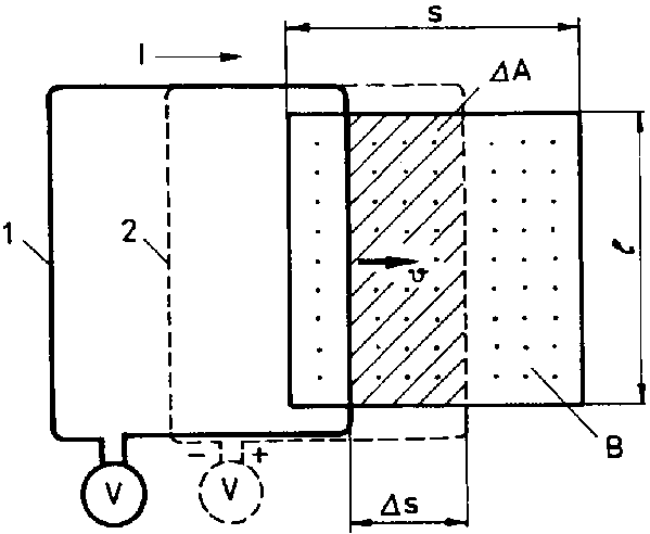
In case of the induction of motion, a conductor (a conductor loop, a coil) is moved through a magnetic field constant as to time. This may be effected, for example, by moving a conductor loop through a homogeneous magnetic field having the magnetic flux density B, length 1 and width s in accordance with Fig. 5.19.


Fig. 5.19. Induction of motion

1 - Position of the conductor at the beginning of motion
2 - Position of the conductor after a certain period

Assume, the conductor loop is moved at a constant speed v. At the commencement of motion, the conductor loop has the position 1 and after a certain period of time Dt, position 2. During the time Dt, the distance Ds has been covered, a facht, which corresponds to a rate of motion of v = Ds/Dt. The magnetic flux encircled by the conductor loop becomes greater by the share which, in this time, enters through the area DA. Thus, the induced voltage for N turns is

E = - N · DF/Dt
DF = B · DA
DA = I · Ds

E = - N · (B · I · Ds)/Dt

v = Ds/Dt we have

E = - NBlv

(5.18)

where:

E

induced voltage

N

number of turns of the coil

B

magnetic flux density of the constant magnetic field

l

length of the magnetic field

v

rate of motion of the coil or conductor

[E] = (V · s)/m2 · m ··m/s = v

Example 5.7.

A wire is moved, at a constant speed of 12.5 cm/s across a homogeneous magnetic field, of 500 mT and 8 cm in length. Calculate the value of the voltage induced, in this wire!

Given:

N = 1 (coil with 1 turn!)
B = 500 mT
l = 8 cm
V = 12,5 cm/s

To be found:

|E|

Solution:

E = - NBlv
|E| = 1 · 0,5T · 8 cm · 12,5 cm/s
|E| = 1 · 0,5 (V·· s)/m2 · 8 ··10-2 m · 12,5 · 10-2 m/s = 50 · 10-4 V
|E| = 5 mV

According to the Lenz law, the direction of the induced electromotive force is such that the magnetic field caused by the induced current acts against the cause of origin, in this case an increase in flux. From this follows the indicated current direction. For the direction of the induced voltage or of the current driven by this voltage in the induction of motion, the right-hand rule (generator rule) holds in general.

When extending the opened right hand into the magnetic field in such a way that the field lines enter the inner palm and the spread out thumb points in the direction of motion of the conductor, then the extended fingers point in the direction of the induced electromotive force (Fig. 5.20).

5.3.2. Utilisation of the Phenomena of Induction

Phenomena of induction are utilised very frequently in engineering. The examples given below are a very limited selection of typical applications.


Fig. 5.20. Right-hand rule (generator rule)

· Magnetic head of magnetophone (induction of rest)

The magnetophone process is a high-grade sound storage method. The sound store is a thin (18 to 50 µm) polyester or acetate tape with a ferromagnetic film applied to it. The sound information is entered in the tape in the form of a more or less intense magnetisation in the running direction of the tape and thus stored. For the reproduction of the stored information, a magnetic replay head is required. This is a magnetic circuit with a very small air gap (1 to 100 am) which carries an induction coil. The magnetised tape is transported past the air gap. The flux caused by the individual “permanent magnets” of the tape in the ferromagnetic circuit induces a voltage proportional to the sound information in the induction coil surrounding the circuit (Fig. 5.21.). This voltage is amplified and fed to a loudspeaker.


Fig. 5.21. Reproducing head of a magnetic recorder

1 - to amplifier
2 - Iron core
3 - Magnetic tape

· Transformer (induction of rest)

The transformer is a stationary electrical machine and one of the most important components of electrical engineering. In accordance with Fig. 5.18., the transformer is provided with two coils which are galvanically separated but magnetically coupled. When a voltage is applied, to the primary coil which periodically changes as to magnitude and direction (such a voltage is called alternating voltage, see Section 7), a magnetic field is produced in both coils which also changes periodically its magnitude and direction. In an ideal case, a 100 per cent coupling is effected, i.e. the coefficient of coupling k = 1. Then the magnetic flux F1 completely penetrates the secondary coil as F2, hence, F1 = F2 = F


Fig. 5.22. Transformer

According to the law of induction, the induced voltage is directly proportional to the number of turns when the rate of flux variation is given.

The ratio of the primary voltage to the secondary voltage is called ratio of transformation trr and is written as

trr = U1/U2 = N1/N2

(5.19.)

In a loss-free transformer, the ratio of the voltages is equal to the ratio of turns in the coils.

According to the law of conservation of energy, the primary power must be equal to the secondary power, hence, P1 = P2.

According to Section 4.1., equation (4.3), power is written as P = UI, that is to say,

U1I1 = U2I2

U1/U2 = I2/I1

Taking equation (5.19.) into account, we have

trr = U1/U2 = I2/I1 = N1/N2

(5.19a)

In a loss-free transformer, the currents are in inverse ratio to the numbers of turns of the coils.

This shows that a given alternating voltage can be transformed into any desired, higher or lower alternating voltage by means of a transformer. Therefore, the transformer is an important connecting link between energy generator and the distribution network or between the distribution network and the consumers. In information electrical engineering, the transformer is frequently used for impedance matching. Since P1 = P2, we have inaccordance with Section 4.1.,

I12R1 = I22R2

R1 = (I2/I1)2 · R2 with trr = I2/I1 we read

R1 = trr2 R2

(5.19b)

The load resistance R2 acts on the primary with the square of the transmission ratio.

· Generator (induction of motion)

In a homogeneous magnetic field, a conductor loop or a coil is arranged. If it is turned about its central axis which is perpendicular to the field direction, then the magnetic flux penetrating the coil area varies (see Fig. 5.23.).


Fig. 5.23. Generator (principle)

1 - North pole
2 - South pole

Since, according to the law of induction, any change of the magnetic flux causes an electromotive force, a voltage is induced in the rotating coil. Its direction can be deter-minded with the help of the right-hand rule. A generator is the inversion of the motor principle described in Section 5.2. Generalising, we can say that a pivoted coil in a magnetic field is the basic design of all rotating electrical machines (motors, generators).

· Eddy-current brake

In planar conductors voltages are induced by magnetic flux variations in the same manner as in wires and coils. The induction currents associated with these induced voltages are high because the current paths in a planar conductor are closed in themselves and act as short-circuits (see Fig. 5.25.). An experiment sketched in Fig. 5.24. shows the action of such induced currents. A metal plate of copper (or of another electrically conductive material such as aluminium) is suspended in such a way that it is allowed to swing through a magnetic field kie a pendulum. In this manner, currents are induced which, according to the Lenz rule, built up magnetic fields of opposite direction and thus damp the motion. The pendulum will come to rest very quickly.


Fig. 5.24. Electromagnetic induction in planar conductors

1 - Pendulum of non-ferromagnetic conductor material
2 - Total deflection of oscillation
3 - Oscillation in the magnetic field
4 - North pole
5 - South pole


Fig. 5.25. Eddy currents in planar conductors


Fig. 5.26. Reduction of the eddy currents by means of slots in planar conductors

Fig. 5.25. shows the closed current paths in the metal surface. Because of the apparently irregular course taken by the current, these currents are called eddy currents. Eddy currents can be avoided to a great extent when fine slots are made into the metal surface as shown in Fig. 5.26. The pendulum of such a slotted metal plate will hardly be damped; the braking action and thus the eddy-current formation are cancelled to a great extent.

Eddy-current brakes operate on the above described principle. They are used now and then for the braking of rail vehicles, for damping the deflection of electrical indicator operating mechanisms, and for braking electrical machines.

In most cases, eddy currents are not desired. They occur both by induction of rest in stationary electrical machines and by induction of motion in rotating electrical machines. Because of their short-circuit character, they heat the metal mass involved, thus, uselessly doing work. These eddy-current losses must be avoided as far as possible. This is achieved by avoiding compact metal masses. This is possible by composing metallic bodies of individual sheets insulated against each other and arranged in parallel to the direction of flux. Further eddy-current losses can be avoided when using ferromagnetic materials having a small electric conductivity, for example, sheet iron alloyed with silicon or certain iron-oxide compounds.

5.3.3. Inductance

· Inductance and coil

A wire usually wound on ferromagnetic core is called coil. This component stores energy at a certain current. The storage capacity for magnetic energy is called inductance of a coil.

L = N · F/I

(5.20.)

where:

L

inductance (more precisely self-inductance)

F

magnetic flux

I

current

N

number of turns

L = Vs/A = H

The following subunits are most frequently used:

1 mH = 1 milihenry = 10-3 H
1 µH = 1 microhenry = 10-6 H

The storage capacity of the coil is dependent on the number of turns, the dimensions and the permeability of the core. From the equations (5.5.) and 5.15.) we have

L = N2 · µ · A/I

(5.21.)

where:

N

number of turns

µ

permeability (material constant)

A

coil (core) cross-section

l

length of coil

Like resistors, coils can be connected in series or in parallel. In series connection according to fig. 5.27., the same current passes through the coils with the individual inductances of L1 and L2. In case of a current variation, voltage proportional to the individual inductances of the coils in induced in the latter. The equivalent inductance of this arrangement is

Lequ = L1 + L2

(5.22.)

This equation has the same structure as the equation for the determination of Requ of a series connection of resistors.


Fig. 5.27. Series connection of two coils (Lers = Lequ)


Fig. 5.28. Parallel connection of two coils (Lers = Lequ)

The parallel connection of two coils is shown in Fig. 5.28. The same voltage is applied to the two coils and the equivalent inductance is analogous to the equivalent resistance of resistors connected in parallel.

1/Lequ = 1/L1 + 1/L2

(5.23.)

From the equations (5.22.) and (5.23.), the following general statement can be derived: In a series connection of coils, the equivalent inductance is always greater than the greatest individual inductance and in a parallel connection of coils, the equivalent inductance is always smaller than the smallest individual inductance.

Example 5.8.

Two coils having the inductances of 1.5 H and 5 H have to be connected in series and then in parallel. Determine the equivalent inductances for these two types of connections!

Given:

L1 = 1.5 H
L2 = 3 H

To be found:

Lequ in series connection and in parallel connection

Solution:

series connection of L1 and L2

Lequ = L1 + L2
Lequ = 1.5 H + 3 H
Lequ = 4.5 H

parallel connection of L1 and L2

1/Lequ = 1/L1 + 1/L2 = (L2 + L1)/(L1L2)
Lequ = L1L2/(L1 + L2)
Lequ = (1.5 H · 3H)/(1.5 H + 3 H) = 4.5 H/4.5
Lequ = 1 H

· Behaviour of a coil in a direct-current circuit

A coil is connected to a direct voltage source according to Fig. 5.29. (switch position 1). At the instant of switching on (time t1), current starts flowing. The maximum current limited by R cannot flow immediately because self-induction counteracts any current change. After a short time, the current has reached a certain value and the magnetic flux the value proportional to the current. The current causes a voltage drop at the resistor R; consequently, the voltage across the coil is reduced. In the following time, the current is not allowed to rise as quickly as immediately after the instant of switching on. All this shows that, after switching on, the current first increases rapidly and then more and more slowly while the coil voltage first drops rapidly and then more and more slowly.


Fig. 5.29. Circuit for switching on and off of a direct voltage in a coil

Now, the voltage source is to be switched off from the coil (switch position 2). At the instant of switching off (time t2), the current passing through the coil is not immediately interrupted because self-induction opposes any current change. The starting change in current causes a self-induced voltage which, according to the Lena rule, is so directed that it counteracts the cause of origin. An induced current is driven in the same direction as before when the voltage source was connected. Now, the magnetic field gradually dies out and the stored magnetic energy is converted into heat energy in resistor R.

The course taken by current and voltage during switching on and off is shown in Fig. 5.30. It is evident that at the instant of switching on and at the instant of switching off the coil voltage reaches its highest value rapidly and, after some time, drops to zero. The current, however, changes its value only slowly in switching. In coils, there are no sudden current changes.


Fig. 5.30. Behaviour of current and voltage in a coil when a direct voltage is being switched on and off

When switching off a coil, the following should be observed: The energy stored in the magnetic field is only maintained by a current flow. In case of an interruption (instant of switching off), the field must disappear and the energy be converted into another form of energy. An instantaneous interruption (Dt = 0) according to the law of induction leads to a high induced voltage which can attain values of such a magnitude that connected components and the insulation of the coil winding may be destroyed.

When circuits include coils, caution is imperative at any time. In switching off, dangerous overvoltages can occur. They are prevented by closing the current path for the induced current. For this purpose, a resistor, a capacitor or a semiconductor diode is connected in parallel to the coil.

The coil is a storage element. The energy stored by a coil in the form of magnetic energy is

W = L/2 · I2

(5.24.)

where:

W

energy

L

inductance

I

current

W = (V · s)/A ··A2 = V · A · s = W · s

In a magnetic field considerably higher energies can be stored than in a dielectric field (see Section 6.2.2.). Therefore, large force actions can be achieved with magnetic fields.

Example 5.9.

A coil having an inductance of L = 10 H carries a current of 5 A. Calculate the energy stored!

Given:

I = 5 A
L = 10 H

To be found:

W

Solution:

W = L/2 · I2
W = 10/2 · (V·· s)/A · 52A2 = 5·· 25 W·· s
W = 125 W·· s

Any magnetic flux variation causes an electromotive force (electromagnetic induction). It is directed, in such a way that the magnetic field caused by the induced current counteracts the cause of its origin. A distinction is made between induction of rest and induction of motion. The electromagnetic induction forms the basis of a large number of technical applications including generators, motors, transformers and measuring instruments.

When a coil carries a current, the latter is associated with a magnetic flux. When the current varies, the magnetic flux also varies inducing an electromotive force. When this takes place in another, galvanically separated coil, this is called mutual induction; when it takes place in the same coil, it is called self-induction. In any case, the magnitude of the induced electromotive force is proportional to the rate of current variation. The proportionality factor in mutual induction is called mutual inductance M, that in self-induction is called inductance L.

The characteristic circuit parameter of a coil is the inductance; its unit is henry. The equivalent inductance in series and parallel connections of coils is expressed by the equations (5.22.) and (5.23.).

Loss-free coils (in practice, tow-loss coils are only possible) allow a direct current to pass without any restriction. In switching on and off, however, a certain sluggishness is imparted to the current by the self-induced voltage, that is to say, there are no sudded current changes in a coil. When switching off a coil, very high over-voltages may occur which have to be limited in the circuit.

A current-carrying coil stores energy in the form of magnetic energy by means of which great force actions can be attained.

Questions and problems:

1. Describe in which way induced voltages are brought about!

2. In which way are self-induction and mutual induction physically related?

3. Compare generator principle and motor principle and explain the relations!

4. Explain the mode of action of an eddy-current brake with the belt of the law of induction!

5. Which property of a coil is described by inductance?

6. Explain the course taken by current and voltage in a coil when it is switchen on a off a direct voltage source!

7. Why can a very high overvoltage occur in a coil when it is switched off a voltage source? By which measures can this overvoltage be limited or avoided?

8. The inductance of a coil is 4 H. The current flowing through the coil changes uniformly by - 150 mA within 5 ms. Calculate the self-induced voltage!

9. Calculate the inductance of a coil when a self-induced voltage of 100 V is brought about with a rate of current change of 50 A/s

10. Calculate the energy that is required for the building up of the magnetic field of a coil having an inductance of 500 mH when the coil carries a current of 2 A!

TO PREVIOUS SECTION OF BOOK TO NEXT SECTION OF BOOK